מחבר IDC PLUG - ישר למעגל מודפס 26 מגעים MULTICOMP ועוד קונקטורים, מחברים ומתאמים. לחצו למיפרט טכני מלא. צרו קשר לייעוץ מקצועי: 04-8520233
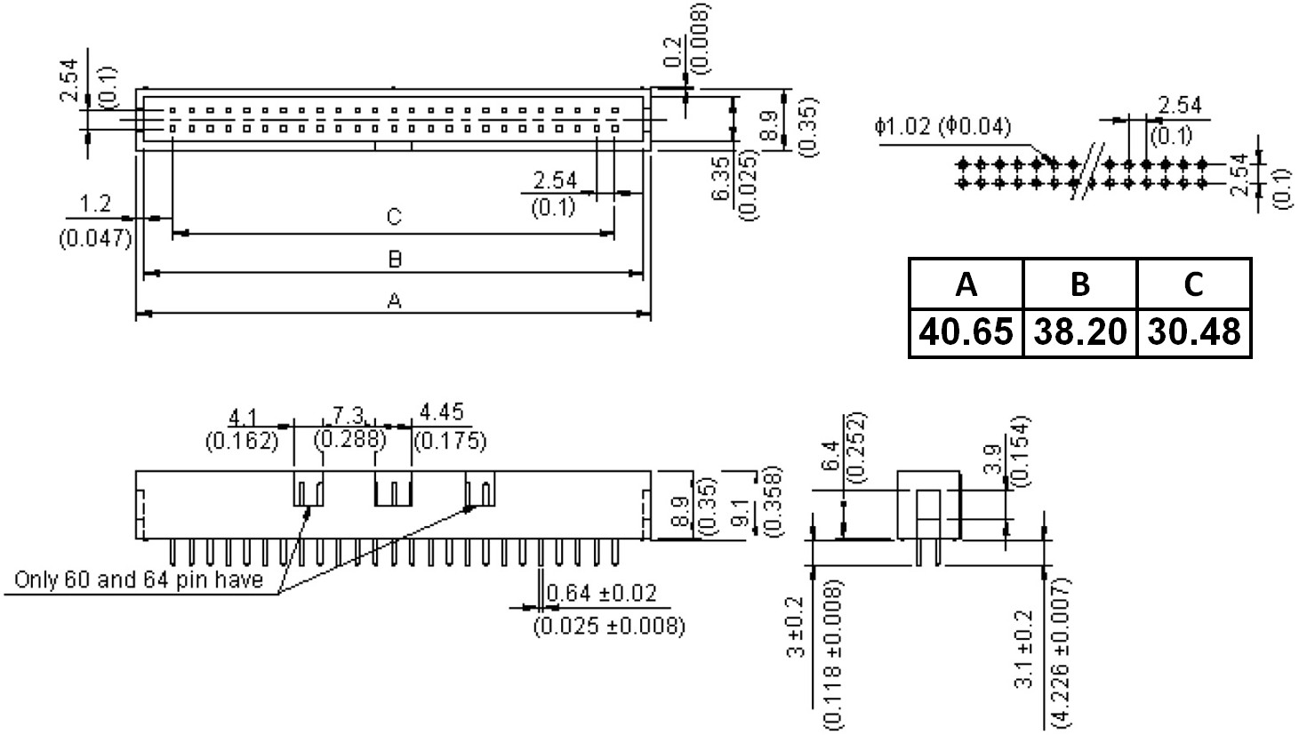
מחבר IDC PLUG - ישר למעגל מודפס 26 מגעים
♦ מגעים מנחושת בציפוי זהב
♦ מרווח בין מגעים : 2.54MM
.jpg)
מוצרים נלווים







