טריסטור TRIAC 800V 8A - IGT 35MA - TO-220 NXP ועוד רכיבי אלקטרוניקה. לחצו למיפרט טכני מלא. צרו קשר לייעוץ מקצועי: 04-8520233
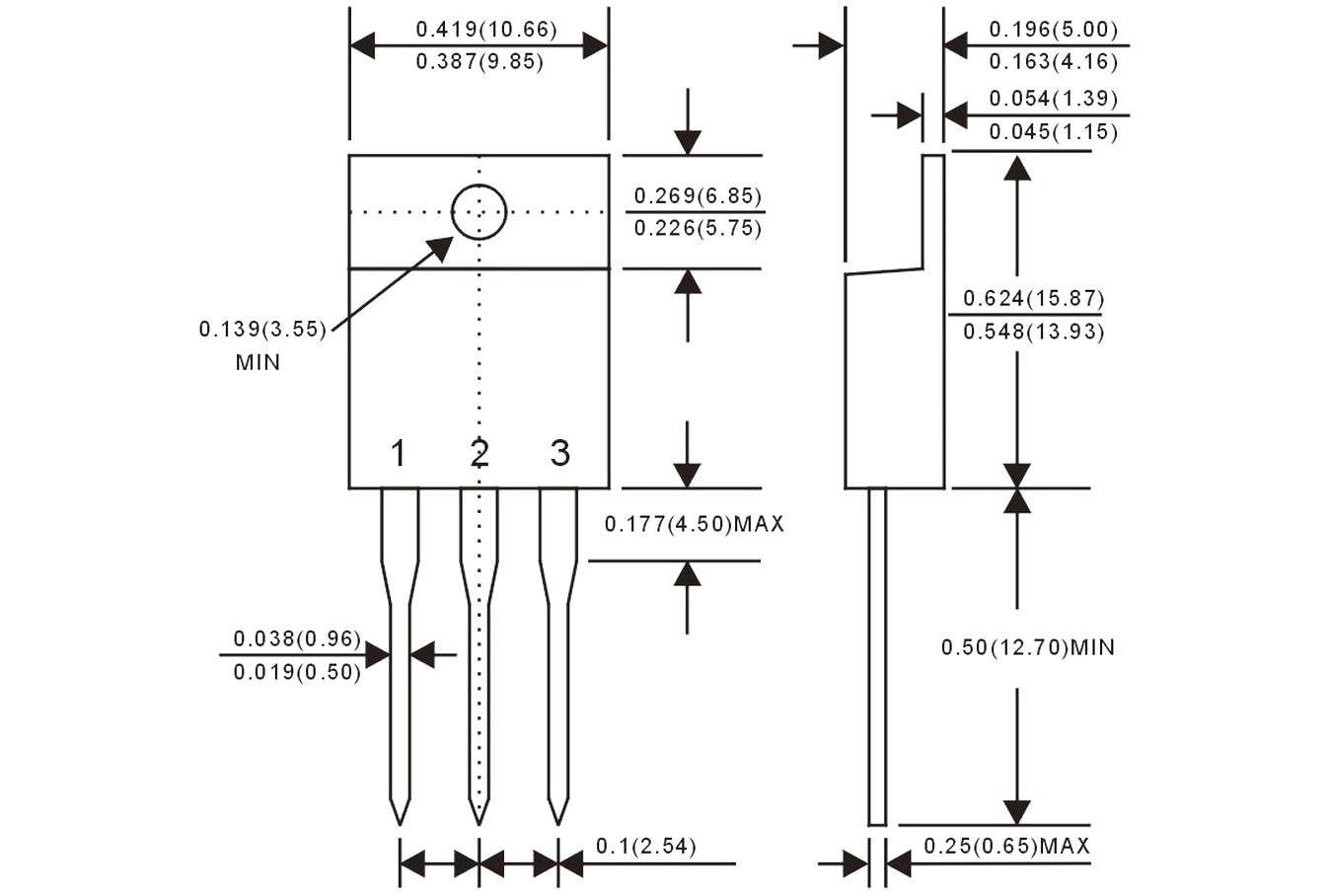
טריסטור TRIAC 800V 8A - IGT 35MA - TO-220
♦ דגם הטריסטור : BTA208-800
♦ מבנה הטריסטור : TO-220

מוצרים נלווים
|
טיפים והמלצות פנס עבודה מקצועי לעבודות אלקטרוניקה פתרונות קירור לאלקטרוניקה: למה הפרויקט שלכם צריך מאוורר או גוף קירור? דרמל ושימושים של הכלי הרב תכליתי קליבר - הכלי המדוייק למדידה מזוודת אחסון כלי עבודה מוצרי תחזוקה וניקוי באלקטרוניקה זיווד באלקטרוניקה - קופסאות חשמל פלסטיק ציוד ניקיון - כלים חשמליים לניקיון שואבי אבק לתעשיה ולבית - לניקיון מהיר ויסודי ארגזי כלים ופתרונות אחסון לציוד וכלי עבודה |
טריסטור TRIAC 800V 8A - IGT 35MA - TO-220 NXP ועוד רכיבי אלקטרוניקה. לחצו למיפרט טכני מלא. צרו קשר לייעוץ מקצועי: 04-8520233 טריסטור TRIAC 800V 8A - IGT 35MA - TO-220
♦ דגם הטריסטור : BTA208-800 ♦ מבנה הטריסטור : TO-220
מוצרים נלווים |