טריסטור SCR 100V 800MA - IGT 200UA - TO-92 ON SEMICONDUCTOR ועוד רכיבי אלקטרוניקה. לחצו למיפרט טכני מלא. צרו קשר לייעוץ מקצועי: 04-8520233
טריסטור SCR 100V 800MA - IGT 200UA - TO-92
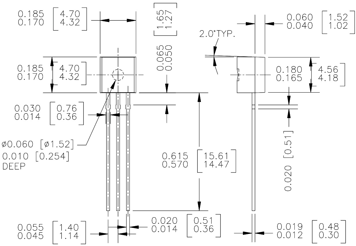
♦ דגם הטריסטור : 2N5062G
♦ מבנה הטריסטור : TO-92

מוצרים נלווים
|
טיפים והמלצות פנס עבודה מקצועי לעבודות אלקטרוניקה פתרונות קירור לאלקטרוניקה: למה הפרויקט שלכם צריך מאוורר או גוף קירור? דרמל ושימושים של הכלי הרב תכליתי קליבר - הכלי המדוייק למדידה מזוודת אחסון כלי עבודה מוצרי תחזוקה וניקוי באלקטרוניקה זיווד באלקטרוניקה - קופסאות חשמל פלסטיק ציוד ניקיון - כלים חשמליים לניקיון שואבי אבק לתעשיה ולבית - לניקיון מהיר ויסודי ארגזי כלים ופתרונות אחסון לציוד וכלי עבודה |
טריסטור SCR 100V 800MA - IGT 200UA - TO-92 ON SEMICONDUCTOR ועוד רכיבי אלקטרוניקה. לחצו למיפרט טכני מלא. צרו קשר לייעוץ מקצועי: 04-8520233 טריסטור SCR 100V 800MA - IGT 200UA - TO-92
♦ דגם הטריסטור : 2N5062G ♦ מבנה הטריסטור : TO-92
מוצרים נלווים |