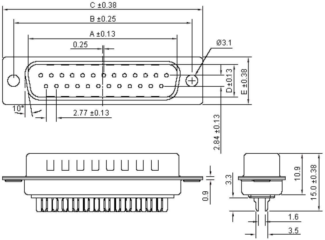
מחבר D-TYPE להלחמה - זכר 50 מגעים MULTICOMP ועוד קונקטורים, מחברים ומתאמים. לחצו למיפרט טכני מלא. צרו קשר לייעוץ מקצועי: 04-8520233
מחבר D-TYPE להלחמה - זכר 50 מגעים
♦ מגעים מנחושת בציפוי זהב
♦ מתח מקסימלי : 250V
♦ זרם מקסימלי : 3A
.jpg)
מוצרים נלווים
| תמונה | תיאור מוצר | הוסף לסל | |||
|---|---|---|---|---|---|
| 7648662 מכסה הגנה מפלסטיק למחבר D-TYPE להלחמה לכבל - 50 מגעים | PRO-POWER | מכסה הגנה מפלסטיק למחבר D-TYPE להלחמה לכבל - 50 מגעים ♦ מסופק עם ברגים ותפס לכבל ... קונקטורים, מחברים ומתאמים » מחברים ומתאמים - D-TYPE | כמות |







