טריסטור SCR 600V 4A - IGT 200UA - SMD NXP ועוד רכיבי אלקטרוניקה. לחצו למיפרט טכני מלא. צרו קשר לייעוץ מקצועי: 04-8520233
טריסטור SCR 600V 4A - IGT 200UA - SMD
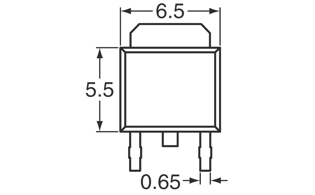
♦ דגם הטריסטור : TS420-600B
♦ מבנה הטריסטור : (SOT-428 (DPAK

מוצרים נלווים
|
טיפים והמלצות פנס עבודה מקצועי לעבודות אלקטרוניקה פתרונות קירור לאלקטרוניקה: למה הפרויקט שלכם צריך מאוורר או גוף קירור? דרמל ושימושים של הכלי הרב תכליתי קליבר - הכלי המדוייק למדידה מזוודת אחסון כלי עבודה מוצרי תחזוקה וניקוי באלקטרוניקה זיווד באלקטרוניקה - קופסאות חשמל פלסטיק ציוד ניקיון - כלים חשמליים לניקיון שואבי אבק לתעשיה ולבית - לניקיון מהיר ויסודי ארגזי כלים ופתרונות אחסון לציוד וכלי עבודה |
טריסטור SCR 600V 4A - IGT 200UA - SMD NXP ועוד רכיבי אלקטרוניקה. לחצו למיפרט טכני מלא. צרו קשר לייעוץ מקצועי: 04-8520233 טריסטור SCR 600V 4A - IGT 200UA - SMD
♦ דגם הטריסטור : TS420-600B ♦ מבנה הטריסטור : (SOT-428 (DPAK ![]() מוצרים נלווים |