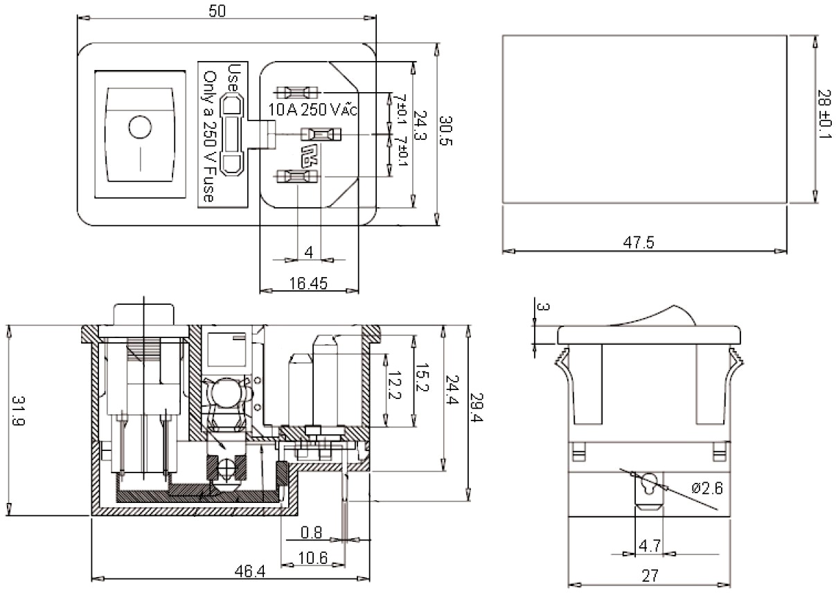
תקע חשמל IEC 10A לפנל עם בית פיוז ומפסק MULTICOMP ועוד קונקטורים, מחברים ומתאמים. לחצו למיפרט טכני מלא. צרו קשר לייעוץ מקצועי: 04-8520233
תקע חשמל IEC לפנל עם בית פיוז ומפסק 10A
.jpg)
מוצרים נלווים
|
טיפים והמלצות פנס עבודה מקצועי לעבודות אלקטרוניקה פתרונות קירור לאלקטרוניקה: למה הפרויקט שלכם צריך מאוורר או גוף קירור? 5 מוצרי חובה לחשמלאי מקצועי – לפי התקנים החדשים בישראל דרמל ושימושים של הכלי הרב תכליתי קליבר - הכלי המדוייק למדידה מזוודת אחסון כלי עבודה מוצרי תחזוקה וניקוי באלקטרוניקה זיווד באלקטרוניקה - קופסאות חשמל פלסטיק מקדחות ללא כבל חשמל חבילת סוללות - לבית או תעשייה |
תקע חשמל IEC 10A לפנל עם בית פיוז ומפסק MULTICOMP ועוד קונקטורים, מחברים ומתאמים. לחצו למיפרט טכני מלא. צרו קשר לייעוץ מקצועי: 04-8520233 תקע חשמל IEC לפנל עם בית פיוז ומפסק 10A
מוצרים נלווים |