טרנזיסטור NPN - 150V 10A - 55MHZ - THROUGH HOLE ALLEGRO MICROSYSTEMS ועוד רכיבי אלקטרוניקה. לחצו למיפרט טכני מלא. צרו קשר לייעוץ מקצועי: 04-8520233
טרנזיסטור NPN - 150V 10A - 55MHZ - THROUGH HOLE
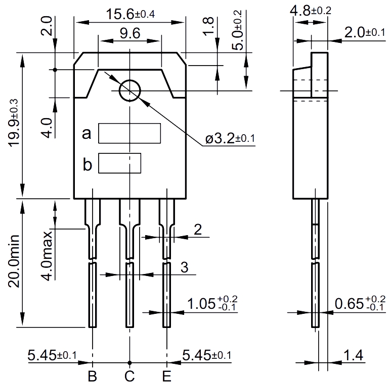
♦ דגם הטרנזיסטור : 2SD2390
♦ מבנה הטרנזיסטור : TO-3P

מוצרים נלווים







