טרנזיסטור - IGBT MODULE - NPN - 600V 108A - 390W VISHAY ועוד רכיבי אלקטרוניקה. לחצו למיפרט טכני מלא. צרו קשר לייעוץ מקצועי: 04-8520233
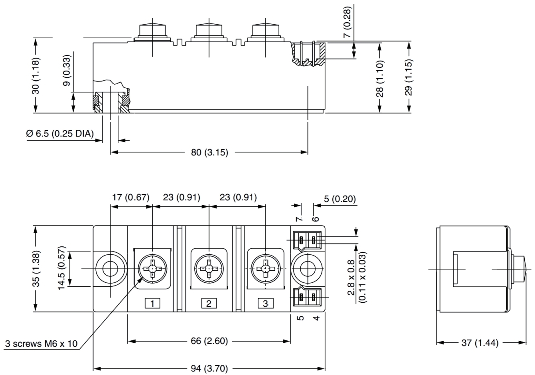
טרנזיסטור - IGBT MODULE - NPN - 600V 108A - 390W
♦ דגם הטרנזיסטור : VS-GB100TS60NPBF
♦ מבנה הטרנזיסטור : INT-A-PAK

מוצרים נלווים







