טרנזיסטור - IGBT MODULE - NPN - 600V 125A - 447W VISHAY ועוד רכיבי אלקטרוניקה. לחצו למיפרט טכני מלא. צרו קשר לייעוץ מקצועי: 04-8520233
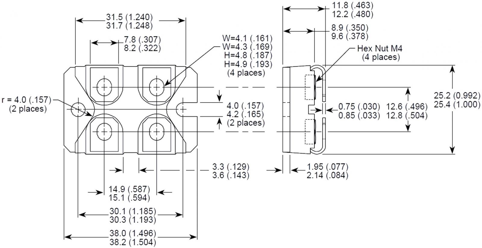
טרנזיסטור - IGBT MODULE - NPN - 600V 125A - 447W
♦ דגם הטרנזיסטור : VS-GB100DA60UP
♦ מבנה הטרנזיסטור : (SOT-227 (MINIBLOC

מוצרים נלווים







