טרנזיסטור - IGBT MODULE - NPN - 600V 750A - 1563W VISHAY ועוד רכיבי אלקטרוניקה. לחצו למיפרט טכני מלא. צרו קשר לייעוץ מקצועי: 04-8520233
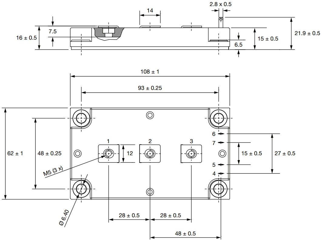
טרנזיסטור - IGBT MODULE - NPN - 600V 750A - 1563W
♦ דגם הטרנזיסטור : VS-GA400TD60S
♦ מבנה הטרנזיסטור : INT-A-PAK LOW PROFILE

מוצרים נלווים







