מגבר אודיו - 4 ערוצים - SMD - 2.5-18V - 2Kohm TEXAS INSTRUMENTS ועוד מעגלים משולבים (IC). לחצו למיפרט טכני מלא. צרו קשר לייעוץ מקצועי: 04-8520233
מגבר אודיו - 4 ערוצים - SMD - 2.5-18V - 2Kohm
♦ דגם המגבר : OPA4134UA
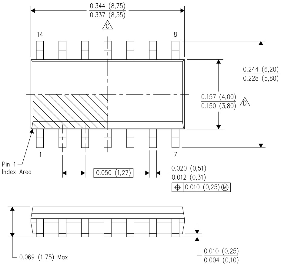
♦ מבנה המגבר : SOIC-14
.jpg)
מוצרים נלווים







