מגבר מכשור - 3 ערוצים - SMD - 250µV - 5V-20V - 25KHZ TEXAS INSTRUMENTS ועוד מעגלים משולבים (IC). לחצו למיפרט טכני מלא. צרו קשר לייעוץ מקצועי: 04-8520233
מגבר מכשור - 3 ערוצים - SMD - 250µV - 5V-20V - 25KHZ
♦ דגם המגבר : INA101KU
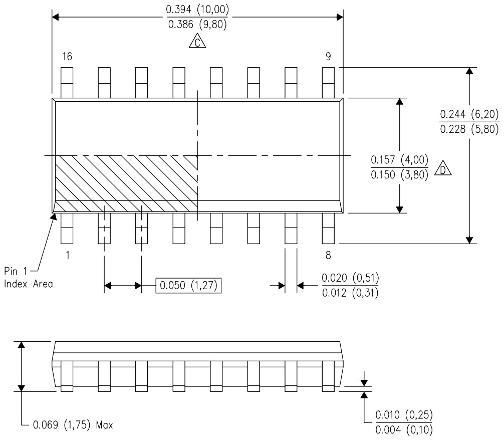
♦ מבנה המגבר : SOIC-16
.jpg)
מוצרים נלווים







