מגבר מכשור - 3 ערוצים - DIP - 50µV - 2.25V-18V - 70KHZ TEXAS INSTRUMENTS ועוד מעגלים משולבים (IC). לחצו למיפרט טכני מלא. צרו קשר לייעוץ מקצועי: 04-8520233
מגבר מכשור - 3 ערוצים - DIP - 50µV - 2.25V-18V - 70KHZ
♦ דגם המגבר : INA131BP
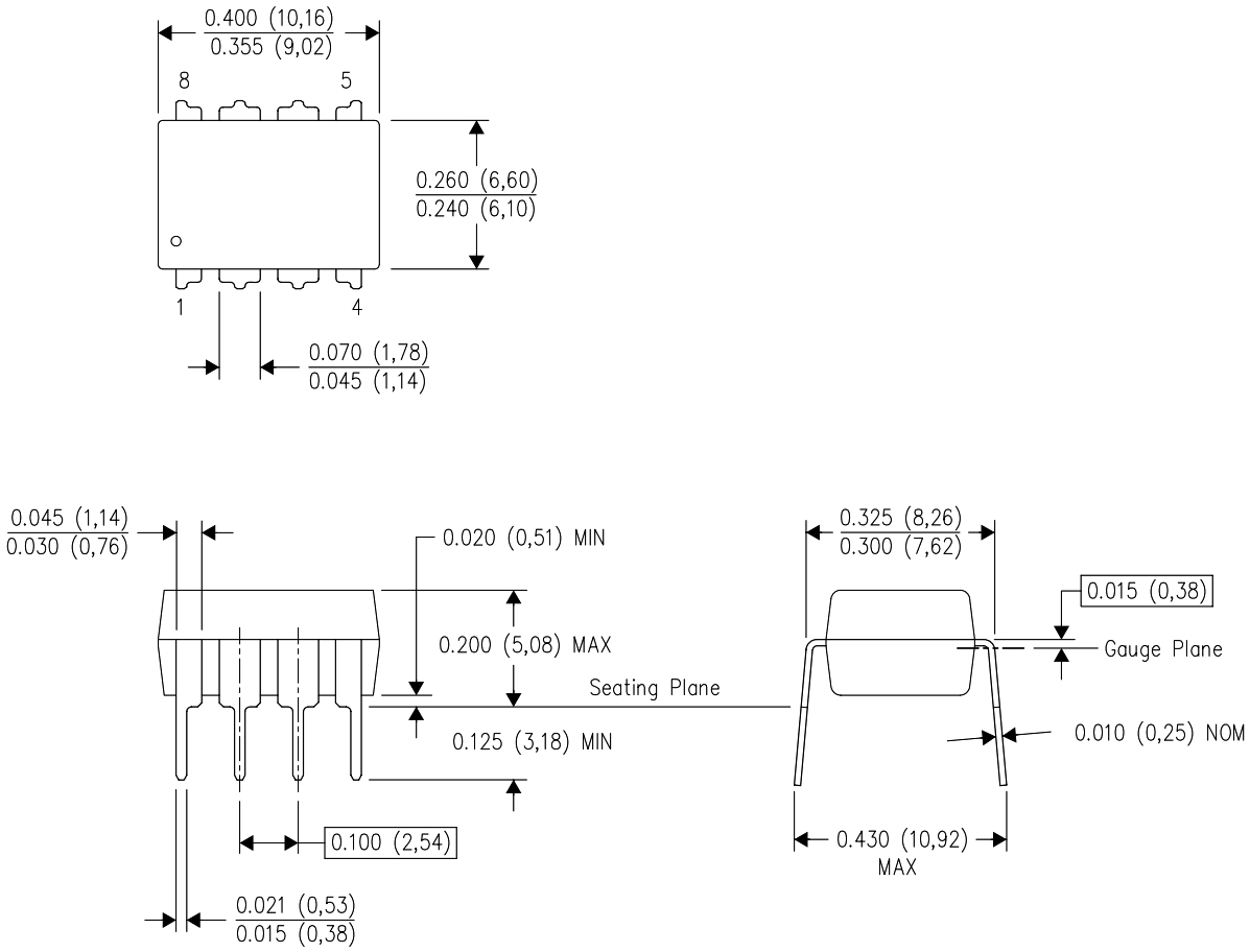
♦ מבנה המגבר : DIP-8
.jpg)
מוצרים נלווים







