מגבר מכשור - 3 ערוצים - DIP - 125µV - 2.25V-18V - 1.3MHZ TEXAS INSTRUMENTS ועוד מעגלים משולבים (IC). לחצו למיפרט טכני מלא. צרו קשר לייעוץ מקצועי: 04-8520233
מגבר מכשור - 3 ערוצים - DIP - 125µV - 2.25V-18V - 1.3MHZ
♦ דגם המגבר : INA128PA
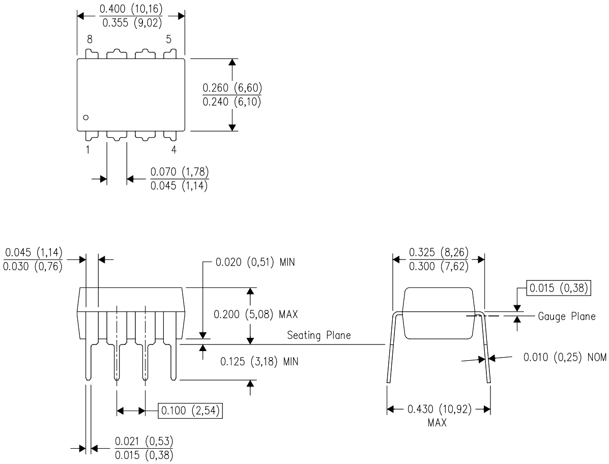
♦ מבנה המגבר : DIP-8
.jpg)
מוצרים נלווים







