דלגלג - SMD - 4.5V-5.5V - 150MHZ - 20MA - 4.9ns - POS - JK TEXAS INSTRUMENTS ועוד מעגלים משולבים (IC). לחצו למיפרט טכני מלא. צרו קשר לייעוץ מקצועי: 04-8520233
דלגלג - SMD - 4.5V-5.5V - 150MHZ - 20MA - 4.9ns - POS - JK
♦ מק''ט יצרן : SN74F109D
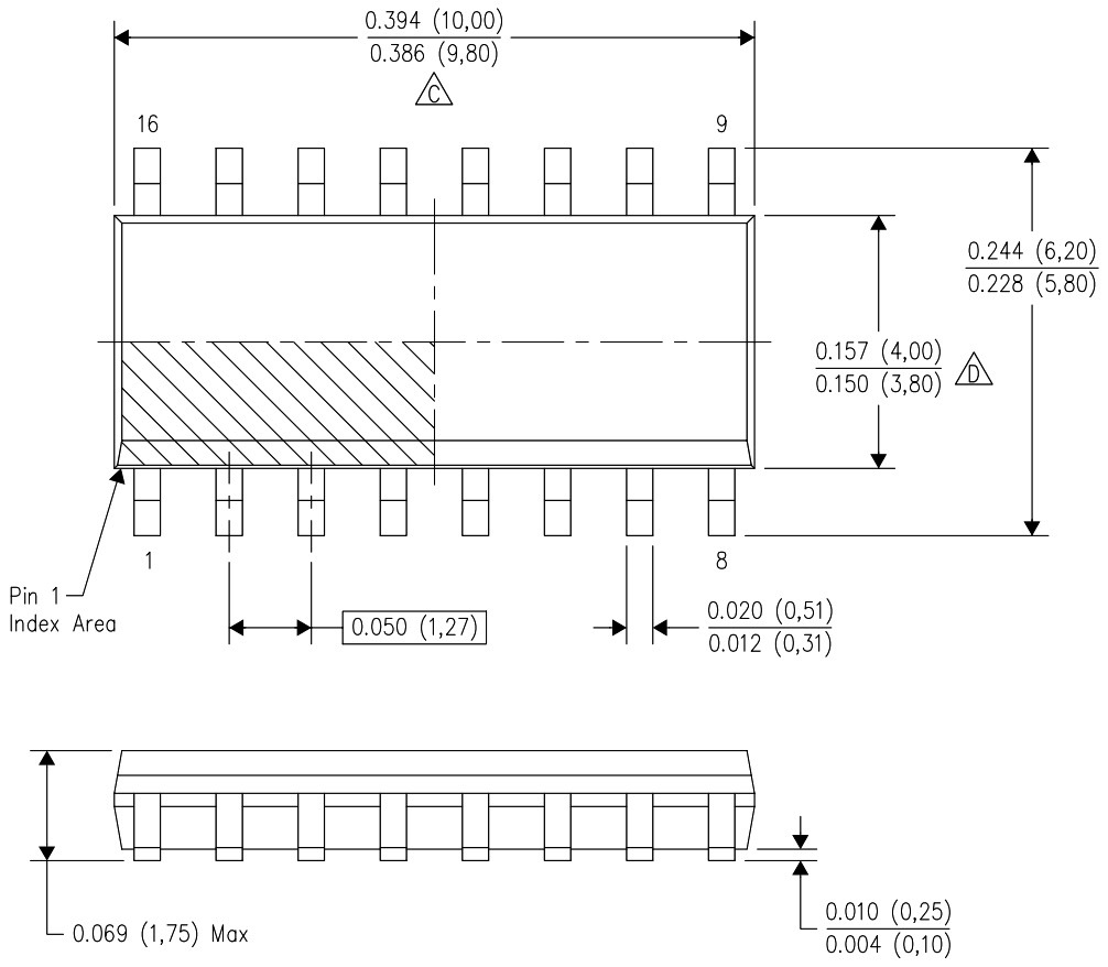
♦ מבנה הרכיב : SOIC-16
.jpg)
מוצרים נלווים







