דלגלג - SMD - 4.5V-5.5V - 46MHZ - 4MA - 18ns - POS - D TEXAS INSTRUMENTS ועוד מעגלים משולבים (IC). לחצו למיפרט טכני מלא. צרו קשר לייעוץ מקצועי: 04-8520233
דלגלג - SMD - 4.5V-5.5V - 46MHZ - 4MA - 18ns - POS - D
♦ מק''ט יצרן : SN74HCT74PW
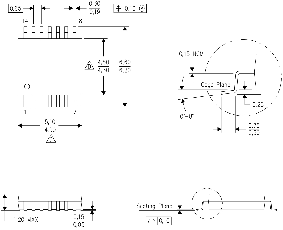
♦ מבנה הרכיב : TSSOP-14

מוצרים נלווים







