דלגלג - SMD - 4.5V-5.5V - 115MHZ - 8MA - 7ns - POS - D TEXAS INSTRUMENTS ועוד מעגלים משולבים (IC). לחצו למיפרט טכני מלא. צרו קשר לייעוץ מקצועי: 04-8520233
דלגלג - SMD - 4.5V-5.5V - 115MHZ - 8MA - 7ns - POS - D
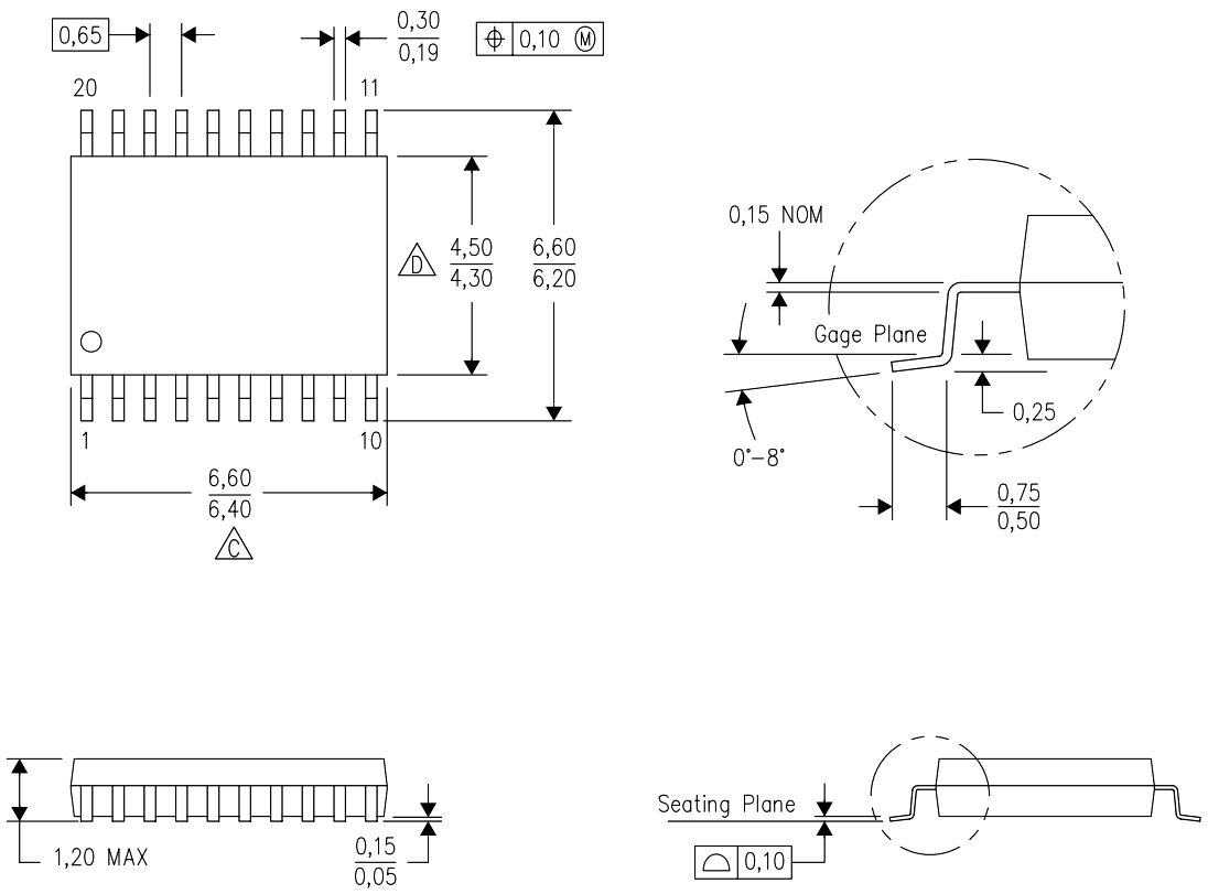
♦ מק''ט יצרן : SN74AHCT574PW
♦ מבנה הרכיב : TSSOP-20
.jpg)
מוצרים נלווים







