בריח לוגי - SMD - 3V-18V - 6.8MA - 40ns - D TYPE TEXAS INSTRUMENTS ועוד מעגלים משולבים (IC). לחצו למיפרט טכני מלא. צרו קשר לייעוץ מקצועי: 04-8520233
בריח לוגי - SMD - 3V-18V - 6.8MA - 40ns - D TYPE
♦ מק''ט יצרן : CD4042BPW
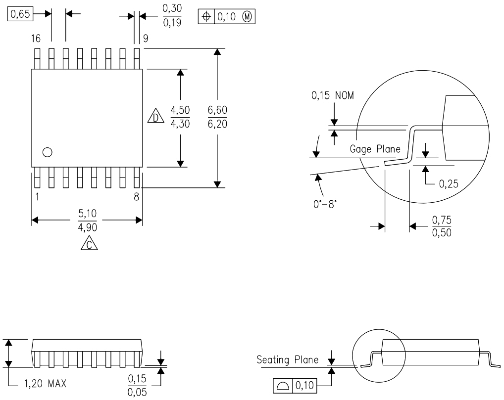
♦ מבנה הרכיב : TSSOP-16
.jpg)
מוצרים נלווים







