בריח לוגי - SMD - 4.5V-5.5V - 64MA - 3.2ns - TRNS TEXAS INSTRUMENTS ועוד מעגלים משולבים (IC). לחצו למיפרט טכני מלא. צרו קשר לייעוץ מקצועי: 04-8520233
בריח לוגי - SMD - 4.5V-5.5V - 64MA - 3.2ns - TRNS
♦ מק''ט יצרן : SN74ABT573APW
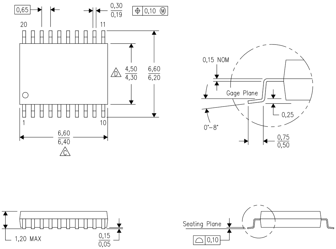
♦ מבנה הרכיב : TSSOP-20
.jpg)
מוצרים נלווים







