מסית רמה - 10 כניסות - SMD - 4.5V-5.5V - 64MA - 150µs TEXAS INSTRUMENTS ועוד מעגלים משולבים (IC). לחצו למיפרט טכני מלא. צרו קשר לייעוץ מקצועי: 04-8520233
מסית רמה - 10 כניסות - SMD - 4.5V-5.5V - 64MA - 150µs
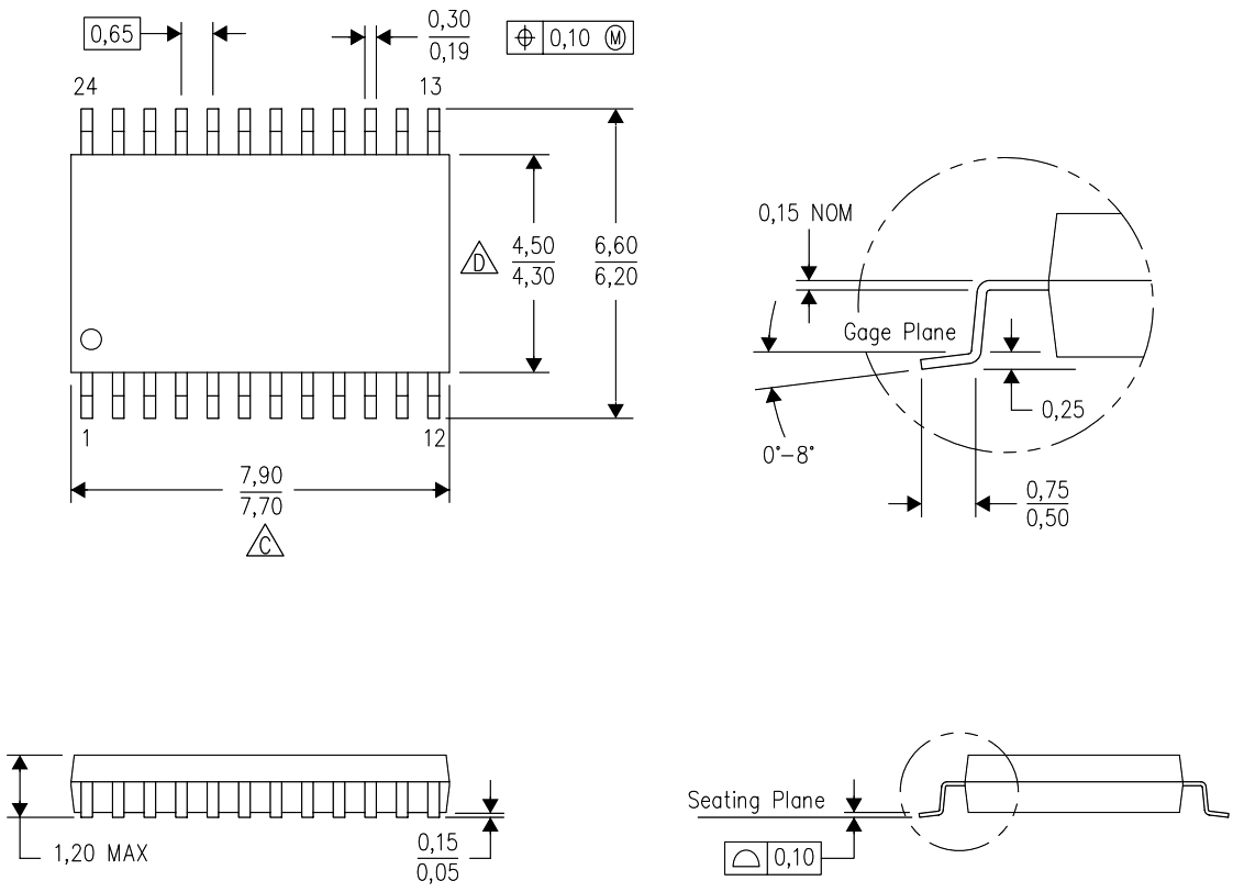
♦ מק''ט יצרן : SN74CBTD3384CPWR
♦ מבנה הרכיב : TSSOP-24
.jpg)
מוצרים נלווים







