מעגלים משולבים (IC) » ממירים אנלוגי לדיגיטלי - ADC » ממירים אנלוגי לדיגיטלי - ANALOG TO DIGITAL CONVERTER (ADC) - TSSOP
ממיר אנלוגי לדיגיטלי (SMD - 24BIT - 470SPS - DIFFERENTIAL - (ADC ANALOG DEVICES ועוד מעגלים משולבים (IC). לחצו למיפרט טכני מלא. צרו קשר לייעוץ מקצועי: 04-8520233
ממיר אנלוגי לדיגיטלי (SMD - 24BIT - 470SPS - DIFFERENTIAL - (ADC
♦ מק''ט יצרן : AD7799BRUZ
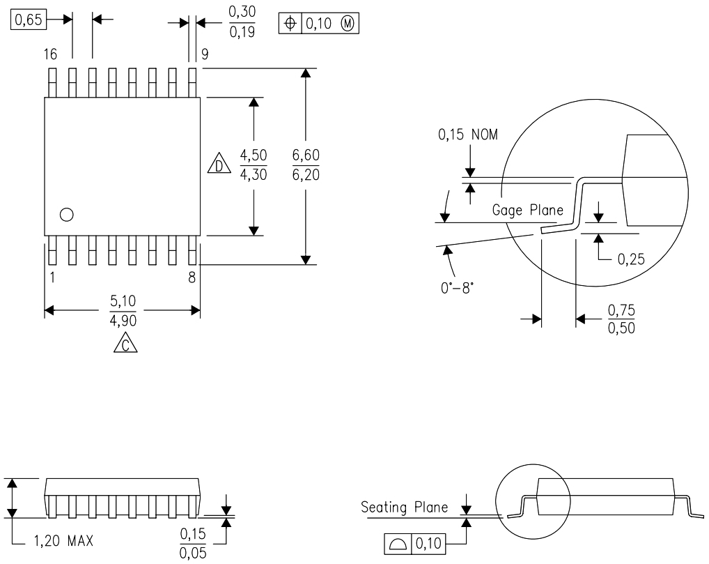
♦ מבנה הרכיב : TSSOP-16
.jpg)
מוצרים נלווים







