מחבר מיקרו EZ HOOK לרכיבי SMD - שחור - POMONA 72906 POMONA ועוד קונקטורים, מחברים ומתאמים. לחצו למיפרט טכני מלא. צרו קשר לייעוץ מקצועי: 04-8520233
מחבר מיקרו EZ HOOK לרכיבי SMD - שחור - POMONA 72906
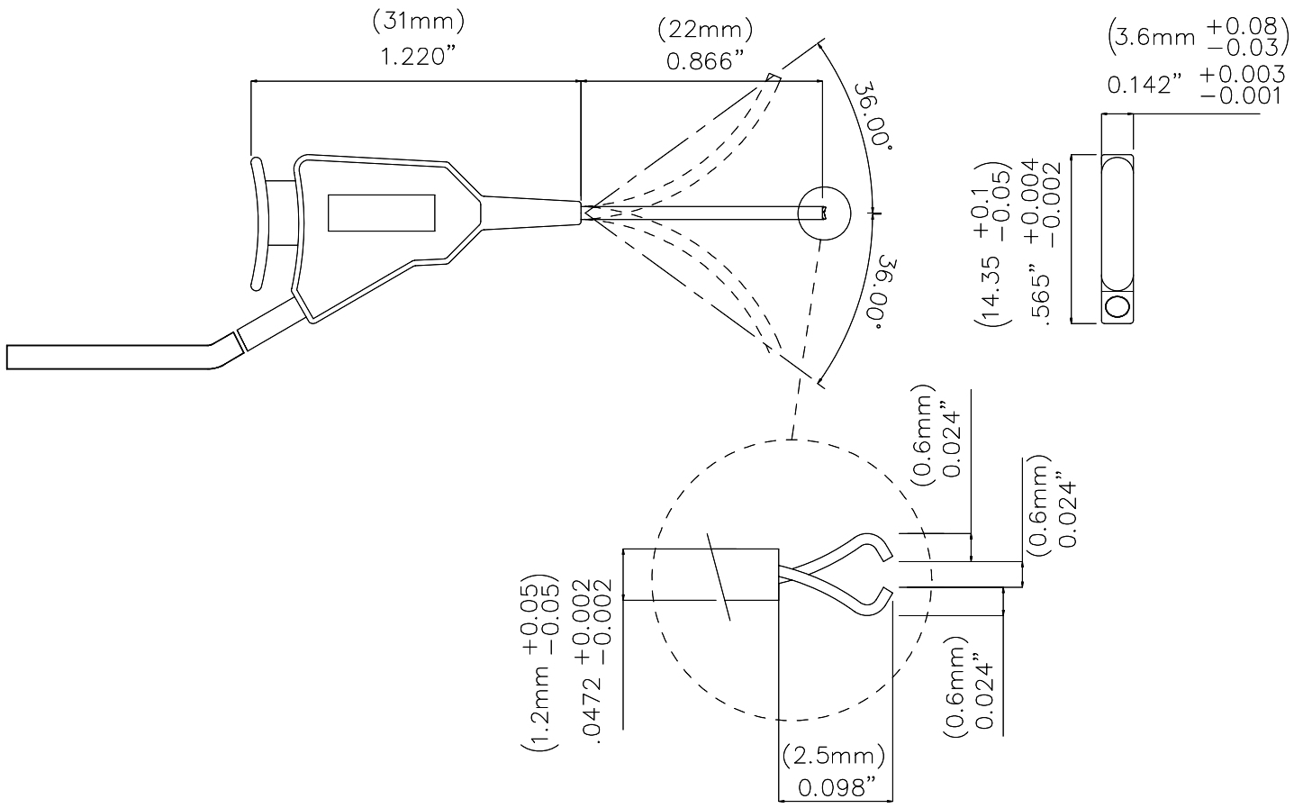
♦ צוואר גמיש עד 36°
♦ שיטת חיבור לכבל : הלחמה
♦ מתח מקסימלי : 33VAC / 70VDC
♦ זרם מקסימלי : 1A

מוצרים נלווים
| תמונה | תיאור מוצר | הוסף לסל | |||
|---|---|---|---|---|---|
| 5106042 מתאם - MICRO EZ HOOK - 4MM BANANA PLUG - שחור | POMONA | מתאם - MICRO EZ HOOK - 4MM BANANA PLUG - שחור ♦ מתאים למחבר מיקרו EZ HOOK מק''ט 672604... קונקטורים, מחברים ומתאמים » מחברים ומתאמים למעבדות אלקטרוניקה | כמות |







