לד אולטרה סגול - 400NM - SMD - HIGH POWER OSA OPTO LIGHT ועוד לדים ורכיבים אופטיים. לחצו למיפרט טכני מלא. צרו קשר לייעוץ מקצועי: 04-8520233
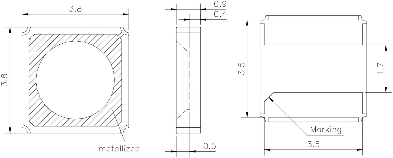
לד אולטרה סגול - 400NM - SMD - HIGH POWER
♦ מתח הפעלה : 3.6V
♦ צריכת זרם : 350MA
♦ אורך גל : 400NM

מוצרים נלווים







