מחבר MCX - נקבה זוויתית להלחמה למעגל מודפס MULTICOMP ועוד קונקטורים, מחברים ומתאמים. לחצו למיפרט טכני מלא. צרו קשר לייעוץ מקצועי: 04-8520233
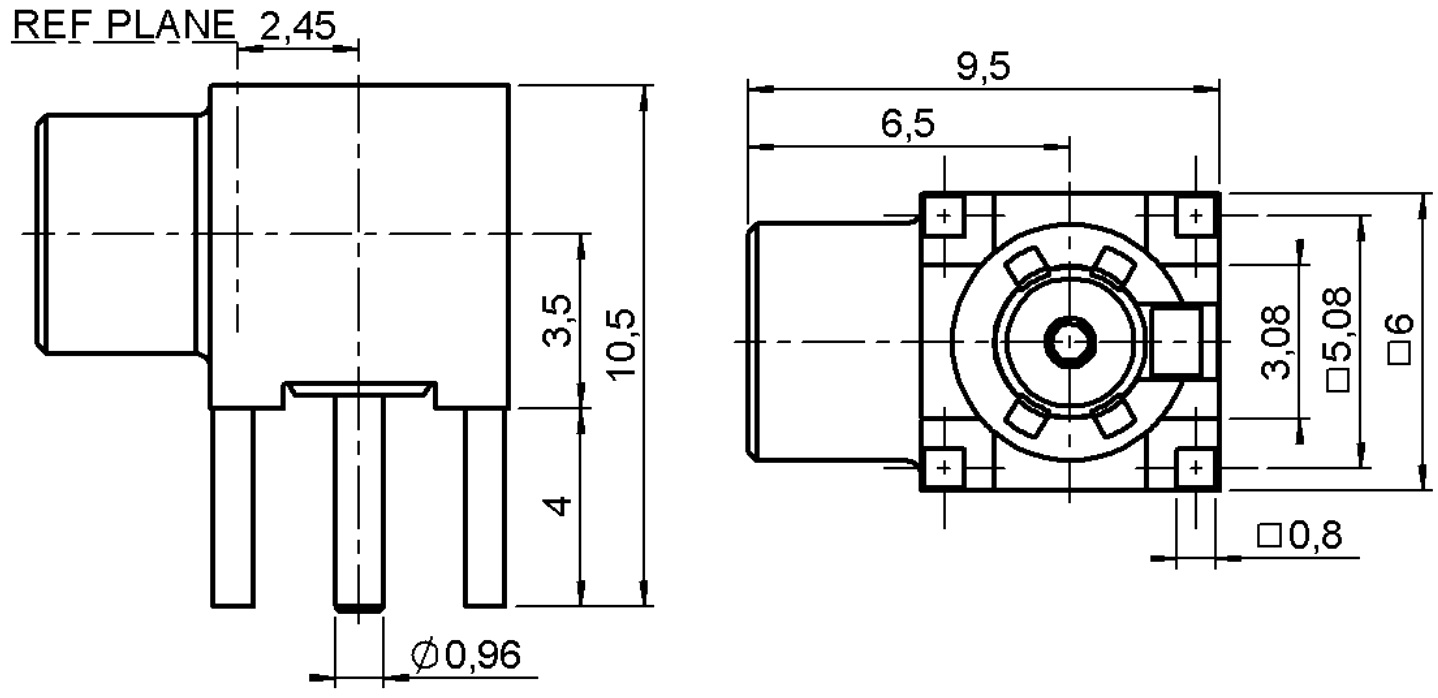
מחבר MCX - נקבה זוויתית להלחמה למעגל מודפס
♦ התנגדות : 50R
♦ ציפוי מגעים : זהב
♦ תדר מקסימלי :6GHZ

מוצרים נלווים







