מחבר ספיקון STX - זכר לפנל - 4 מגעים - NEUTRIK NEUTRIK ועוד קונקטורים, מחברים ומתאמים. לחצו למיפרט טכני מלא. צרו קשר לייעוץ מקצועי: 04-8520233
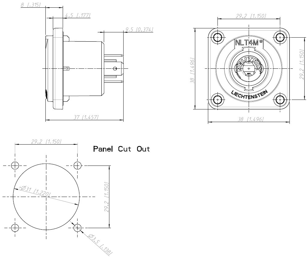
מחבר ספיקון STX - זכר לפנל - 4 מגעים - NEUTRIK
♦ סדרת STX היא הדור הבא של מחברי ספיקון מבית נויטריק
♦ בית המחבר כולו מתכתי - מושלם לתנאי עבודה קשים
♦ מחבר מוגן מים IP54
♦ הספק אודיו מירבי : 50A
♦ מתח בידוד מירבי : 250VAC
.jpg)
מוצרים נלווים
| תמונה | תיאור מוצר | הוסף לסל | |||
|---|---|---|---|---|---|
| 6248005 מחבר ספיקון STX - נקבה לכבל - 4 מגעים - NEUTRIK | NEUTRIK | מחבר ספיקון STX - נקבה לכבל - 4 מגעים - NEUTRIK ♦ סדרת STX היא הדור הבא של מחברי ספיקון מ... קונקטורים, מחברים ומתאמים » מחברים ומתאמים - אודיו / וידאו | כמות |







