מעגלים משולבים (IC) » מייצבי מתח - VOLTAGE REGULATORS » מייצבי מתח (LINEAR VOLTAGE REGULATORS - TO-263 - (LDO
מייצב מתח - יציאה קבועה - 5V , 1.5A , TO-263- ST MICROELECTRONICS ועוד מעגלים משולבים (IC). לחצו למיפרט טכני מלא. צרו קשר לייעוץ מקצועי: 04-8520233
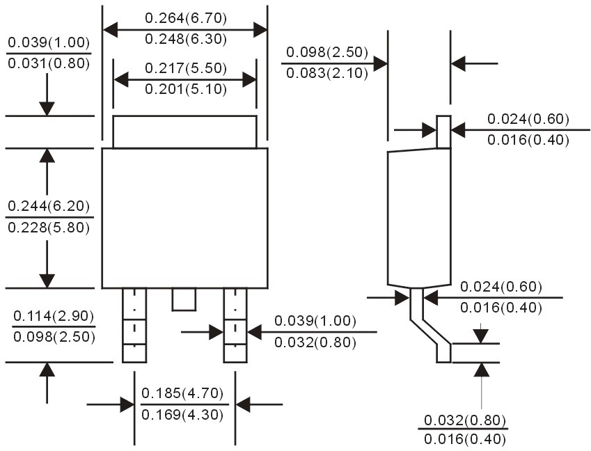
מייצב מתח - יציאה קבועה - 5V , 1.5A , TO-263-
♦ מק''ט יצרן : L7905CD2T-TR
♦ מבנה הרכיב : (TO-263-3 (D2PAK

מוצרים נלווים







