מחבר מסוכך RJ45 - נקבה למעגל מודפס - RJE72-188-1411 - CAT5E AMPHENOL ועוד קונקטורים, מחברים ומתאמים. לחצו למיפרט טכני מלא. צרו קשר לייעוץ מקצועי: 04-8520233
מחבר מסוכך RJ45 - נקבה למעגל מודפס - RJE72-188-1411 - CAT5E
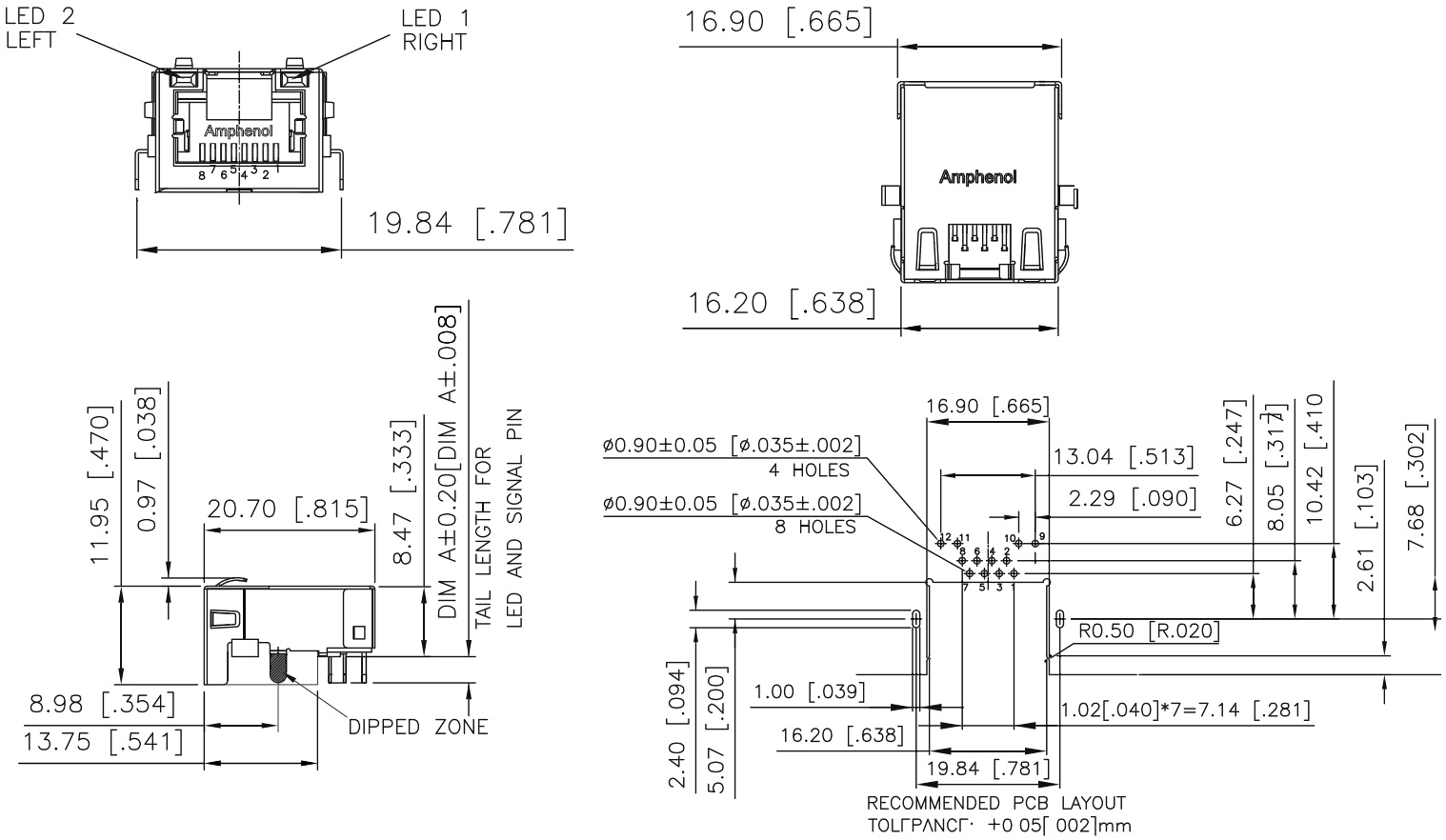
♦ מבנה המחבר : זוויתי להלחמה למעגל מודפס - פרופיל נמוך
♦ מספר כניסות : כניסה אחת
♦ סוג אינדיקציה : לד ימני ירוק , לד שמאלי צהוב
♦ מגעים מנחושת עם ציפוי זהב
♦ מבודד טרמופלסטי שחור בתקן UL 94V-0
♦ מעטפת סיכוך מפלדת אל-חלד
♦ מתח / זרם מקסימלי : 125VAC / 1.25A
♦ טמפרטורת עבודה : 55°C ~ 85°C-
מאושר בתקנים : UL E135615 , EIA-568-C.2

מוצרים נלווים







