מחבר מסוכך RJ45 - נקבה למעגל מודפס - SS-60300-016 - CAT6A STEWART CONNECTOR ועוד קונקטורים, מחברים ומתאמים. לחצו למיפרט טכני מלא. צרו קשר לייעוץ מקצועי: 04-8520233
מחבר מסוכך RJ45 - נקבה למעגל מודפס - SS-60300-016 - CAT6A
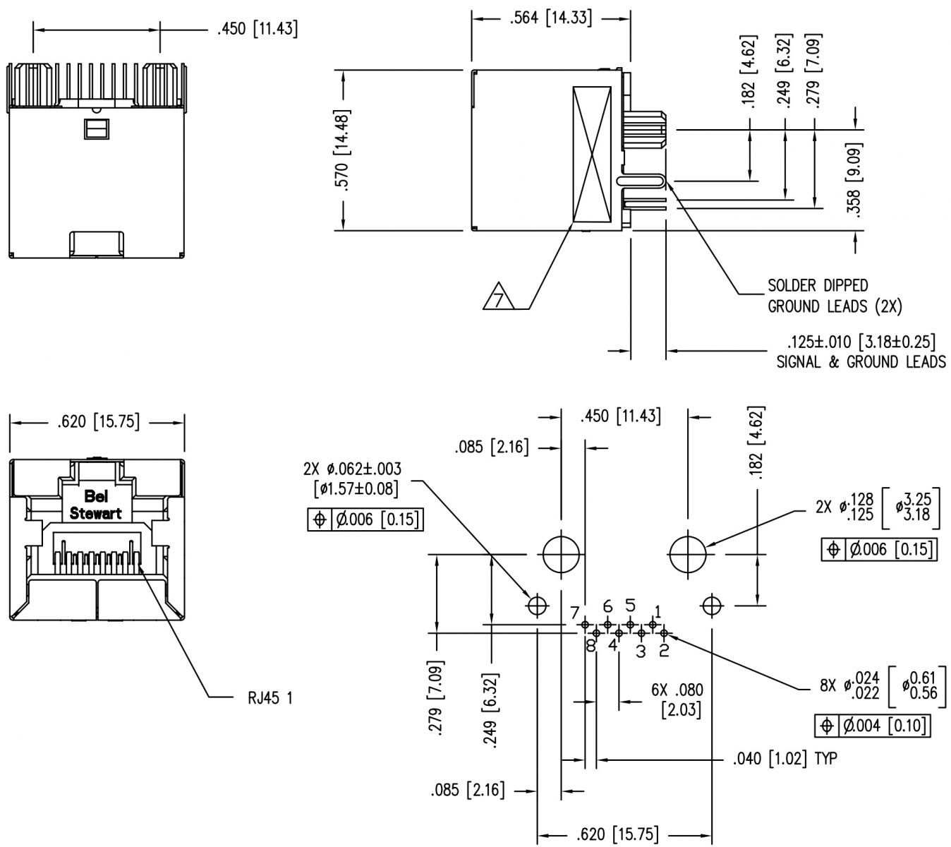
♦ מבנה המחבר : אנכי להלחמה למעגל מודפס
♦ מספר כניסות : כניסה אחת
♦ סוג אינדיקציה : ללא אינדיקציה
♦ מגעים מנחושת עם ציפוי זהב
♦ מבודד טרמופלסטי שחור בתקן UL 94V-0
♦ מעטפת סיכוך מפלדת אל-חלד
♦ מתח / זרם מקסימלי : 125VAC / 1.5A
♦ טמפרטורת עבודה : 55°C ~ 85°C-
♦ מאושר בתקנים : T1A-1096

מוצרים נלווים







