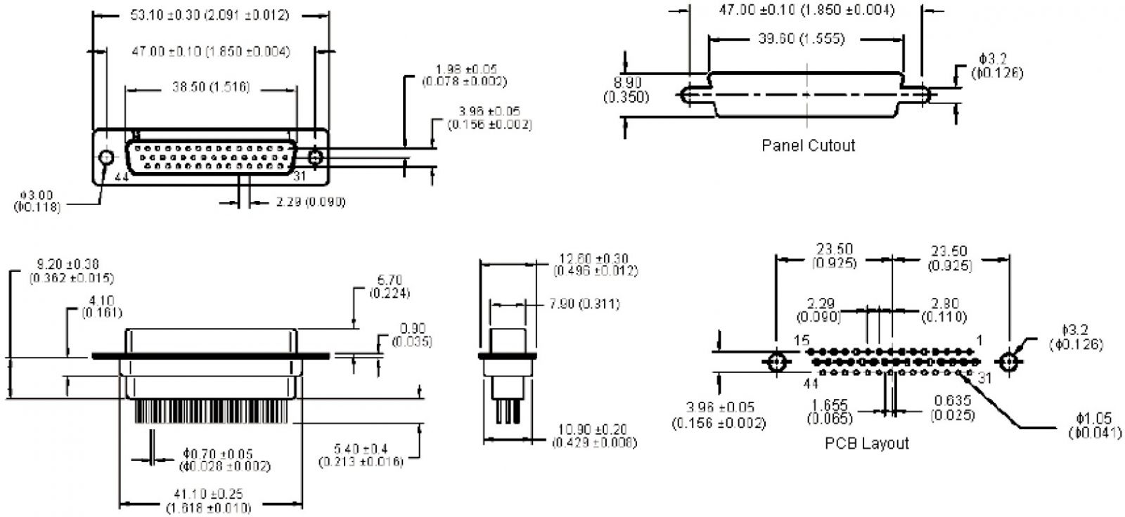
מחבר D-TYPE HIGH DENSITY למעגל מודפס - נקבה 44 מגעים MULTICOMP ועוד קונקטורים, מחברים ומתאמים. לחצו למיפרט טכני מלא. צרו קשר לייעוץ מקצועי: 04-8520233
מחבר D-TYPE HIGH DENSITY למעגל מודפס - נקבה 44 מגעים
♦ מגעים מנחושת בציפוי זהב
♦ מתח מקסימלי : 350VAC
♦ זרם מקסימלי : 5A
.jpg)
מוצרים נלווים







