מחבר D-TYPE HIGH DENSITY זוויתי למעגל מודפס - זכר 15 מגעים MULTICOMP ועוד קונקטורים, מחברים ומתאמים. לחצו למיפרט טכני מלא. צרו קשר לייעוץ מקצועי: 04-8520233
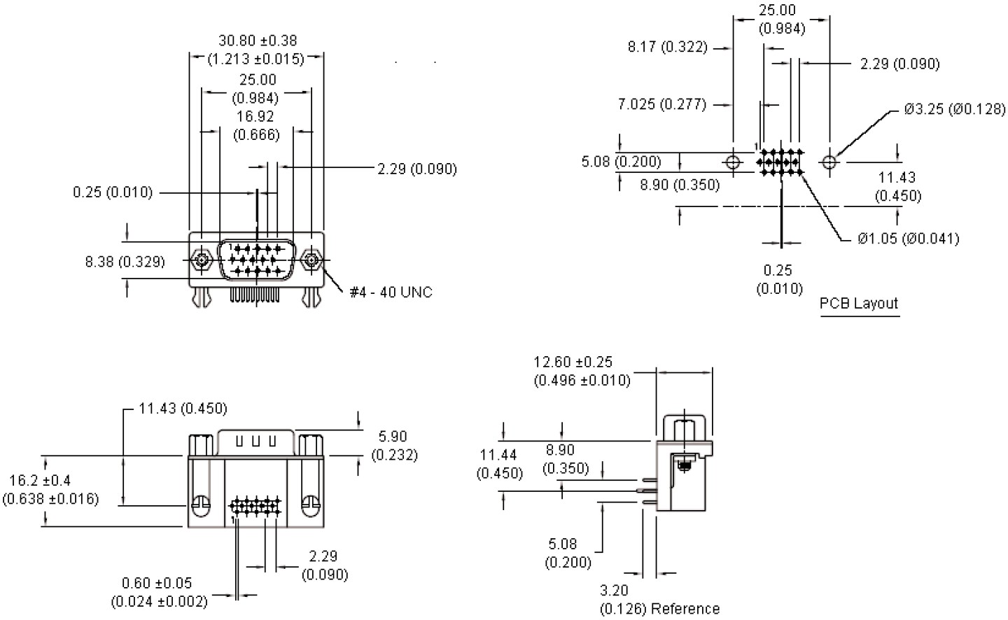
מחבר D-TYPE HIGH DENSITY זוויתי למעגל מודפס - זכר 15 מגעים
♦ מגעים מנחושת בציפוי זהב
♦ מתח מקסימלי : 300VAC
♦ זרם מקסימלי : 5A

מוצרים נלווים







