ממסר SPST-NO , 14VAC ~ 280VAC , 2A - SSR CRYDOM ועוד רכיבי חשמל ובקרה. לחצו למיפרט טכני מלא. צרו קשר לייעוץ מקצועי: 04-8520233
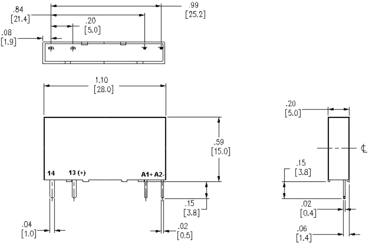
ממסר SPST-NO , 14VAC ~ 280VAC , 2A - SSR
♦ מק''ט יצרן : CN240A05
♦ מתח בקרה : 3VDC ~ 12VDC
♦ שיטת מיתוג : ZERO VOLTAGE TURN ON
♦ שיטת חיבור : PCB THROUGH HOLE

מוצרים נלווים







