מלחצי קליבה - H50/2B - TOGGLE CLAMP - HORIZONTAL HMC BRAUER ועוד כלי עבודה ידניים. לחצו למיפרט טכני מלא. צרו קשר לייעוץ מקצועי: 04-8520233
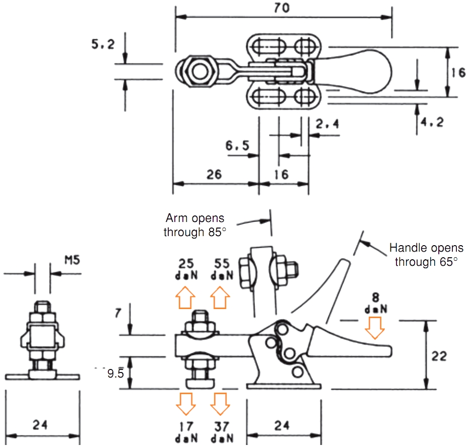
מלחצי קליבה - H50/2B - TOGGLE CLAMP - HORIZONTAL
♦ בסיס FLANGE חזק ויציב
♦ ידית ארגונומית עם ציפוי PVC
♦ כח הידוק נומינלי : 50daN

מוצרים נלווים







