מחבר XLR נקבה להלחמה לפנל - 5 מגעים - AMPHENOL AC5FDZB AMPHENOL AUDIO ועוד קונקטורים, מחברים ומתאמים. לחצו למיפרט טכני מלא. צרו קשר לייעוץ מקצועי: 04-8520233
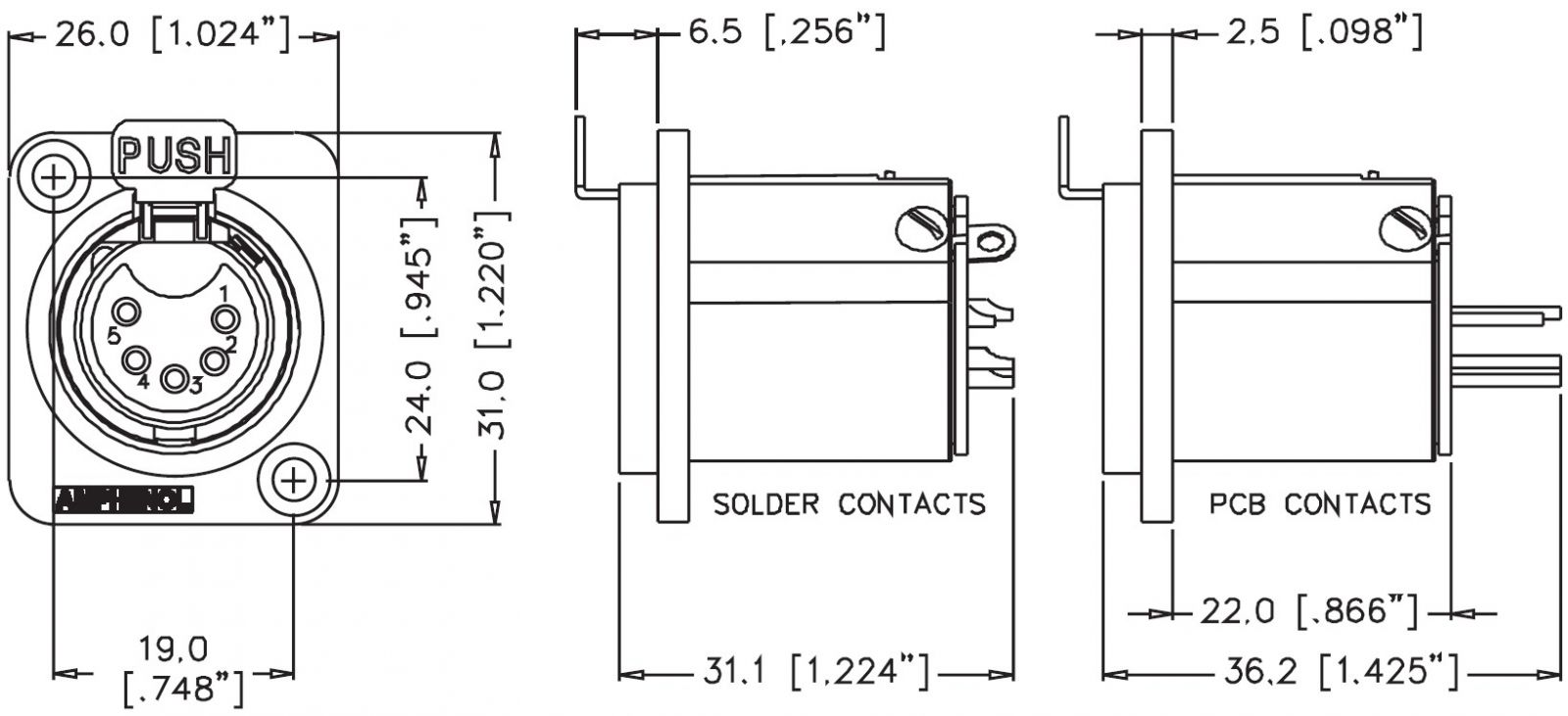
מחבר XLR נקבה להלחמה לפנל - 5 מגעים - AMPHENOL AC5FDZB
♦ גוף מתכת עם מגעים בציפוי כסף
♦ זרם מגעים מקסימלי : 7.5A

מוצרים נלווים
| תמונה | תיאור מוצר | הוסף לסל | |||
|---|---|---|---|---|---|
| 3409431 מחבר XLR זכר להלחמה לכבל - 5 מגעים - AMPHENOL AC5M | AMPHENOL AUDIO | מחבר XLR זכר להלחמה לכבל - 5 מגעים - AMPHENOL AC5M ♦ גוף מתכת עם מגעים בציפוי כסף♦ גרומ... קונקטורים, מחברים ומתאמים » מחברים ומתאמים - אודיו / וידאו | כמות |







