ברגים מפלדה - ראש שטוח - בוקסה - M6 X 10MM DURATOOL ועוד פתרונות זיווד לאלקטרוניקה. לחצו למיפרט טכני מלא. צרו קשר לייעוץ מקצועי: 04-8520233
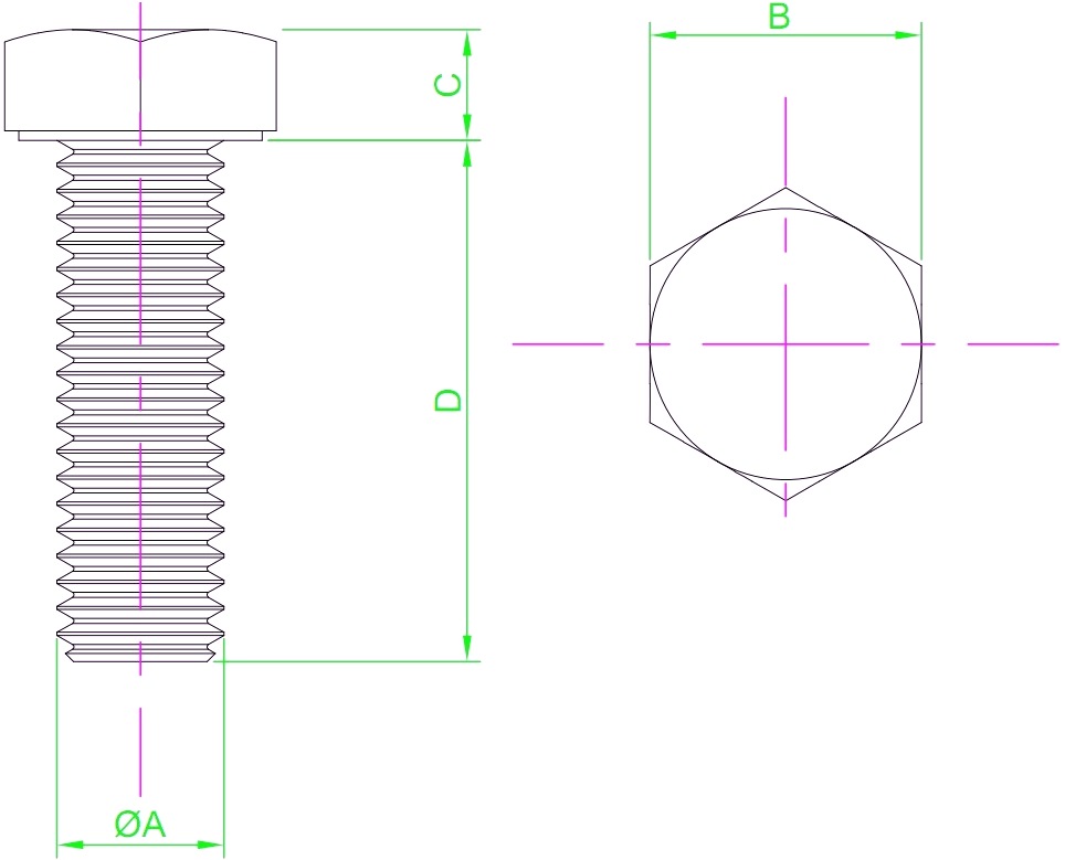
ברגים מפלדה - ראש שטוח - בוקסה - M6 X 10MM
♦ סוג בורג : ראש משושה (בוקסה)
♦ חומר : פלדה 8.8 בציפוי אבץ
♦ כמות בחבילה : 100 יחידות
♦ מאושר תקנים : DIN 933 , TC1 CR3


מוצרים נלווים
| תמונה | תיאור מוצר | הוסף לסל | |||
|---|---|---|---|---|---|
| 1549141 אומים מפלדה - M6 | DURATOOL | אומים מפלדה - M6 ♦ חומר : פלדה בציפוי אבץ♦ כמות בחבילה : 100 יחידות&... פתרונות זיווד לאלקטרוניקה » ברגים לתעשיית האלקטרוניקה | כמות |







