קבל אלקטרוליטי - MULTICOMP PRO MP0044246 - 2200UF , 350V MULTICOMP PRO ועוד רכיבי אלקטרוניקה. לחצו למיפרט טכני מלא. צרו קשר לייעוץ מקצועי: 04-8520233
לקוחותינו התעניינו גם ב...
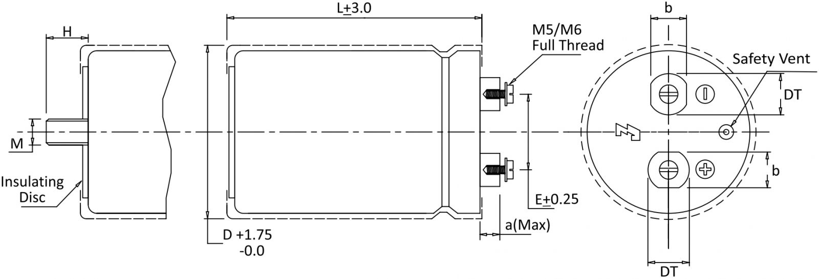
קבל אלקטרוליטי - MULTICOMP PRO MP0044246 - 2200UF , 350V
♦ סוג קבל : SCREW LOCK
♦ טמפרטורה מקסימלית : 85ºC
♦ גובה הקבל : 120MM
♦ קוטר הקבל : 63MM

מוצרים נלווים







