מגני סף מגומי (גרומטים) לכבלים בקוטר עד 12.7MM PRO-POWER ועוד פתרונות זיווד לאלקטרוניקה. לחצו למיפרט טכני מלא. צרו קשר לייעוץ מקצועי: 04-8520233
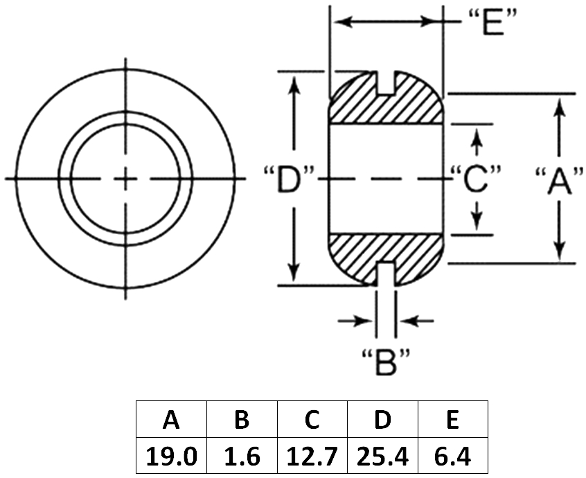
מגני סף מגומי (גרומטים) לכבלים בקוטר עד 12.7MM
♦ מתאים לפנלים בעובי עד 1.6MM
♦ קוטר חיתוך פנל : 19MM
♦ טמפרטורת עבודה מקסימלית : 70ºC
♦ מסופק בחבילות של 100 יחידות
.jpg)
מוצרים נלווים







