תצוגת 7SEGMENT ירוקה - ספרה אחת - 13.2MM KINGBRIGHT ועוד לדים ורכיבים אופטיים. לחצו למיפרט טכני מלא. צרו קשר לייעוץ מקצועי: 04-8520233
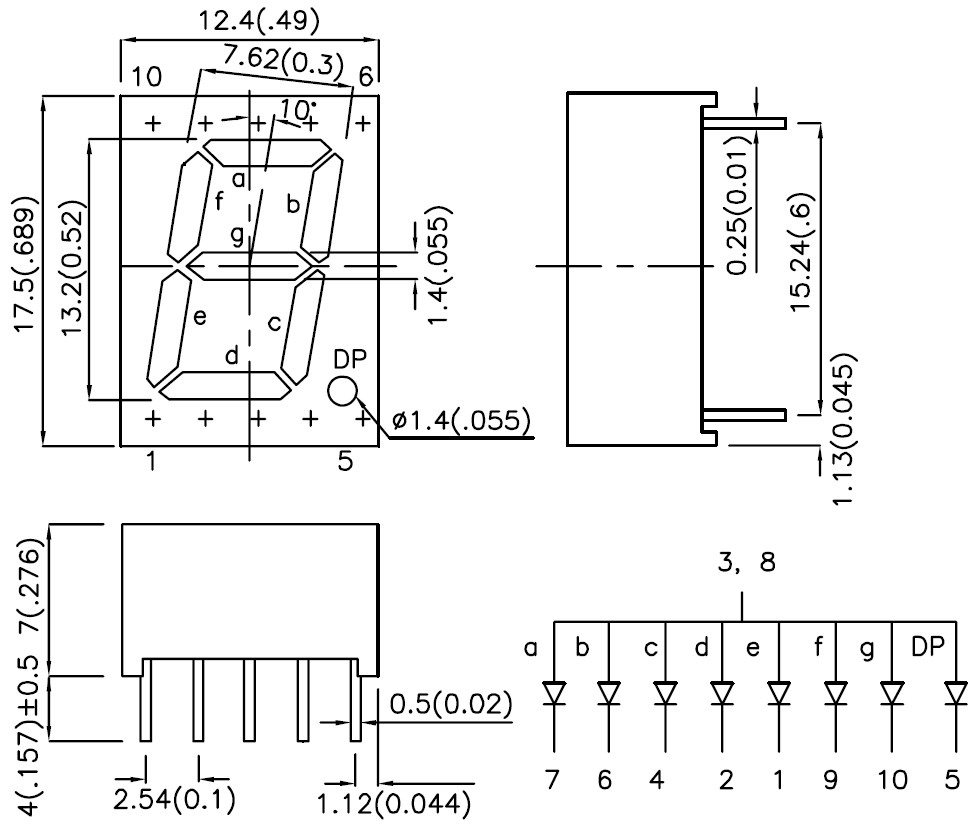
תצוגת 7SEGMENT ירוקה - ספרה אחת - 13.2MM
♦ סוג חיבור : COMMON CATHODE
♦ עוצמת הארה : 10.5MCD
♦ צריכת זרם : 20MA
♦ מתח הפעלה : 2.2V

מוצרים נלווים







