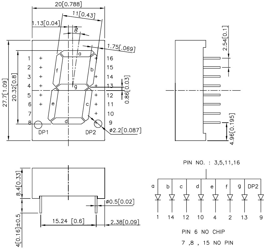
תצוגת 7SEGMENT אדומה - ספרה אחת - 20.32MM KINGBRIGHT ועוד לדים ורכיבים אופטיים. לחצו למיפרט טכני מלא. צרו קשר לייעוץ מקצועי: 04-8520233
תצוגת 7SEGMENT כתומה - ספרה אחת - 20.32MM
♦ סוג חיבור : COMMON CATHODE
♦ עוצמת הארה : 8MCD
♦ צריכת זרם : 20MA
♦ מתח הפעלה : 2V

מוצרים נלווים







