קונקטורים, מחברים ומתאמים » מחברים ומתאמים תעשייתיים » מחברים תעשייתיים אמפנול - (AMPHENOL C016 SERIES (IP67
מחבר תעשייתי C016 - נקבה לפנל - 3 מגעים + הארקה AMPHENOL ועוד קונקטורים, מחברים ומתאמים. לחצו למיפרט טכני מלא. צרו קשר לייעוץ מקצועי: 04-8520233
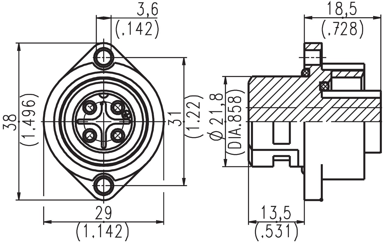
מחבר תעשייתי C016 - נקבה לפנל - 3 מגעים + הארקה
♦ שיטת חיבור לכבל : הברגה
♦ מתאים לכבלים בקוטר 6MM - 12.5MM
♦ עובי מוליך מקסימלי : 14AWG / 2.5MM²
♦ מגעים מנחושת בציפוי כסף
♦ זרם עבודה מקסימלי : 16A
♦ מתח עבודה מקסימלי : 400VAC
♦ רמת אטימות : IP67
♦ טמפרטורת עבודה : 40ºC - 100ºC-
מאושר תקנים :
CSA , GERMAN LLOYD , SEV , UL
VDE , DIN EN 60664-1 , DIN EN 60512-3-2
DIN EN60512-3-1 , DIN EN 60529

מוצרים נלווים
| תמונה | תיאור מוצר | הוסף לסל | |||
|---|---|---|---|---|---|
| 2798811 מחבר תעשייתי C016 - זכר להברגה לכבל - 3 מגעים + הארקה | AMPHENOL | מחבר תעשייתי C016 - זכר להברגה לכבל - 3 מגעים + הארקה ♦ מתאים לכבלים בקוטר 6MM - 12.5MM&d... קונקטורים, מחברים ומתאמים » מחברים ומתאמים תעשייתיים | כמות | |
| 8178221 כיסוי הגנה למחברים תעשייתיים - נקבות לפנל | AMPHENOL | כיסוי הגנה למחברים תעשייתיים - נקבות לפנל ♦ מתאים למחברים נקבות לפנל - סדרה C016 ... קונקטורים, מחברים ומתאמים » מחברים ומתאמים תעשייתיים | כמות | |
| 7798811 מחבר תעשייתי C016 - זכר זוויתי להברגה לכבל - 3 מגעים + הארקה | AMPHENOL | מחבר תעשייתי C016 - זכר זוויתי להברגה לכבל - 3 מגעים + הארקה ♦ מתאים לכבלים בקוטר 6MM - 12.5MM&dia... קונקטורים, מחברים ומתאמים » מחברים ומתאמים תעשייתיים | לא ניתן להזמין - אזל המלאי |







