מחבר PL 2.5MM נקבה סטריאו להלחמה לפנל PRO-SIGNAL ועוד קונקטורים, מחברים ומתאמים. לחצו למיפרט טכני מלא. צרו קשר לייעוץ מקצועי: 04-8520233
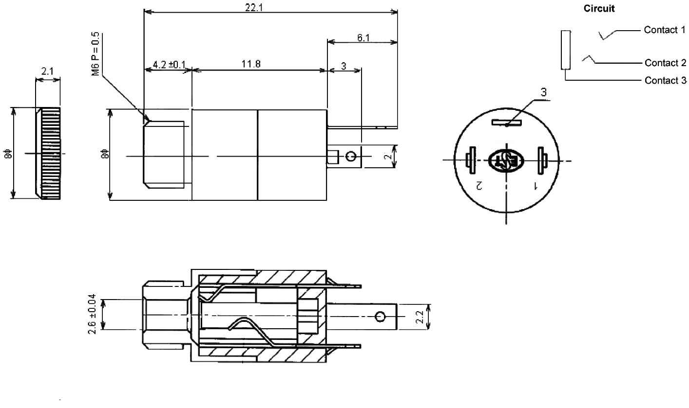
מחבר PL 2.5MM נקבה סטריאו להלחמה לפנל
♦ גוף משולב מתכת / פלסטיק עם מגעים בציפוי ניקל

מוצרים נלווים
| תמונה | תיאור מוצר | הוסף לסל | |||
|---|---|---|---|---|---|
| 0370821 מחבר PL 2.5MM זכר סטריאו להלחמה לכבל | PRO-SIGNAL | מחבר PL 2.5MM זכר סטריאו להלחמה לכבל ♦ גוף פלסטי עם מגעים ממתכת♦ שרוול גמיש לה... קונקטורים, מחברים ומתאמים » מחברים ומתאמים - אודיו / וידאו | כמות |







