פוטנציומטר רב סיבובי - BI TECHNOLOGIES 7280 - 50K BI TECHNOLOGIES ועוד רכיבי אלקטרוניקה. לחצו למיפרט טכני מלא. צרו קשר לייעוץ מקצועי: 04-8520233
פוטנציומטר רב סיבובי - BI TECHNOLOGIES 7280 - 50K
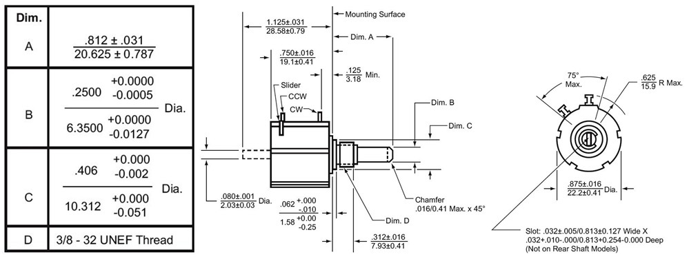
♦ סוג פוטנציומטר : לינארי
♦ מספר סיבובים : 10
♦ הספק : 2W

מוצרים נלווים







