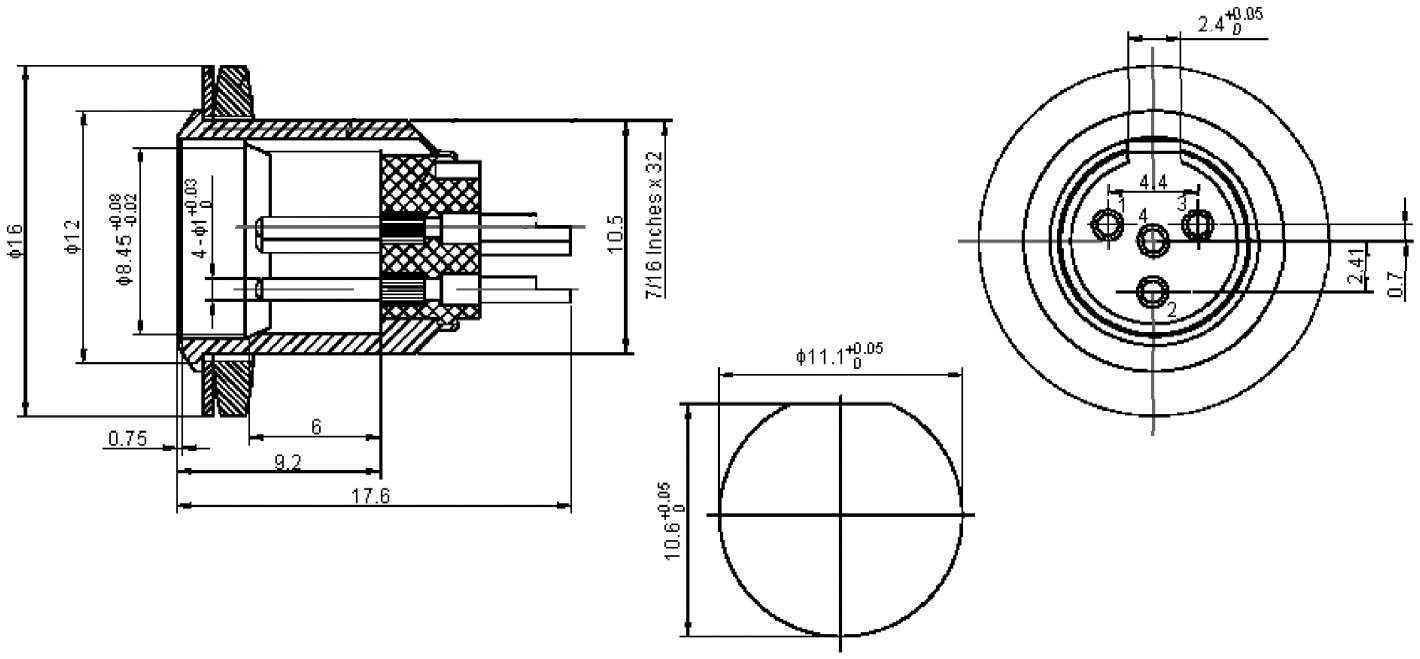
מחבר MINI XLR זכר להלחמה לפנל - 4 מגעים MULTICOMP ועוד קונקטורים, מחברים ומתאמים. לחצו למיפרט טכני מלא. צרו קשר לייעוץ מקצועי: 04-8520233
מחבר MINI XLR זכר להלחמה לפנל - 4 מגעים
♦ גוף מתכת עם מגעים בציפוי זהב
.jpg)
מוצרים נלווים
| תמונה | תיאור מוצר | הוסף לסל | |||
|---|---|---|---|---|---|
| 4595171 מחבר MINI XLR נקבה להלחמה לכבל - 4 מגעים | MULTICOMP | מחבר MINI XLR נקבה להלחמה לכבל - 4 מגעים ♦ גוף מתכת עם מגעים בציפוי זהב ... קונקטורים, מחברים ומתאמים » מחברים ומתאמים - אודיו / וידאו | כמות |







