שקע (USB2.0 (B ישר למעגל מודפס MULTICOMP ועוד קונקטורים, מחברים ומתאמים. לחצו למיפרט טכני מלא. צרו קשר לייעוץ מקצועי: 04-8520233
לקוחותינו התעניינו גם ב...
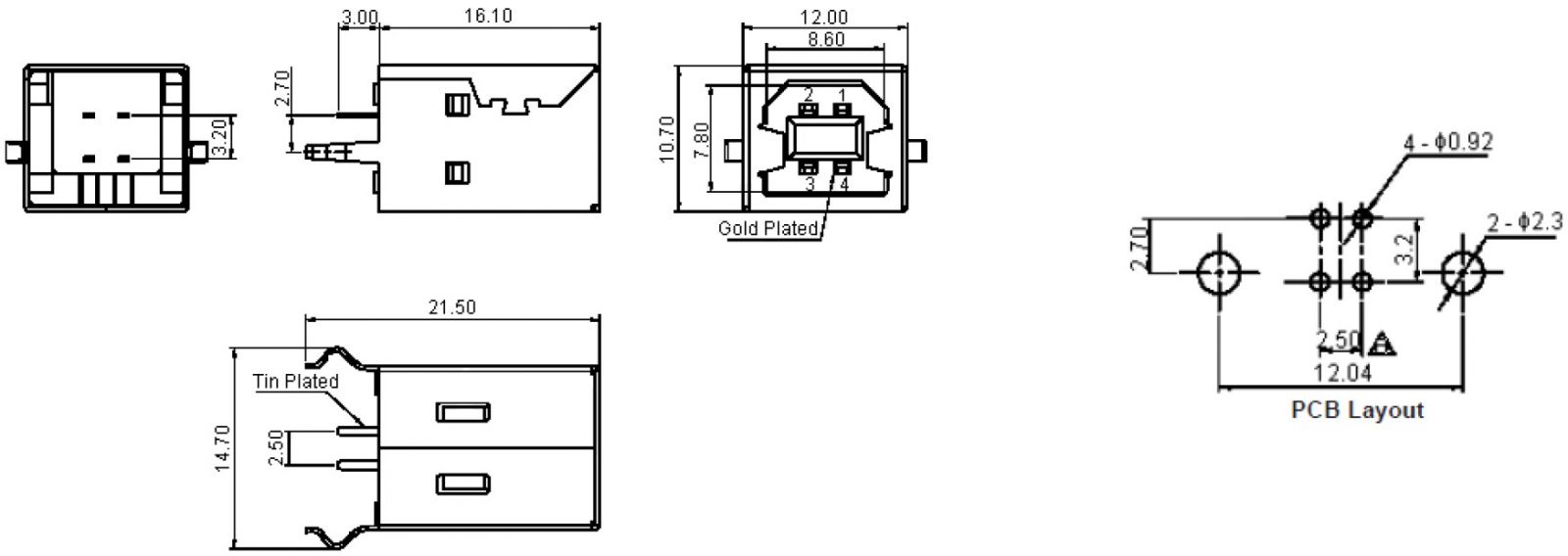
שקע (USB2.0 (B ישר למעגל מודפס
♦ מגעים בציפוי זהב
♦ מתח מקסימלי : 30V AC/DC
♦ זרם מקסימלי : 1A AC/DC
.jpg)
מוצרים נלווים







