דיודה - 800V 85A - STUD CATHODE VISHAY ועוד רכיבי אלקטרוניקה. לחצו למיפרט טכני מלא. צרו קשר לייעוץ מקצועי: 04-8520233
לקוחותינו התעניינו גם ב...
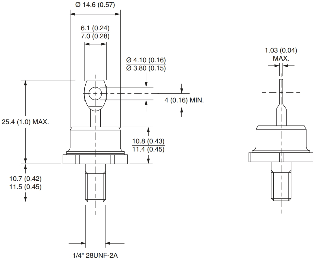
דיודה - 800V 85A - STUD CATHODE
♦ דגם הדיודה : 85HF80
♦ מבנה הדיודה : DO-5

מוצרים נלווים
|
טיפים והמלצות פנס עבודה מקצועי לעבודות אלקטרוניקה פתרונות קירור לאלקטרוניקה: למה הפרויקט שלכם צריך מאוורר או גוף קירור? דרמל ושימושים של הכלי הרב תכליתי קליבר - הכלי המדוייק למדידה מזוודת אחסון כלי עבודה מוצרי תחזוקה וניקוי באלקטרוניקה זיווד באלקטרוניקה - קופסאות חשמל פלסטיק ציוד ניקיון - כלים חשמליים לניקיון שואבי אבק לתעשיה ולבית - לניקיון מהיר ויסודי ארגזי כלים ופתרונות אחסון לציוד וכלי עבודה |
דיודה - 800V 85A - STUD CATHODE VISHAY ועוד רכיבי אלקטרוניקה. לחצו למיפרט טכני מלא. צרו קשר לייעוץ מקצועי: 04-8520233 לקוחותינו התעניינו גם ב... דיודה - 800V 85A - STUD CATHODE
♦ דגם הדיודה : 85HF80 ♦ מבנה הדיודה : DO-5
מוצרים נלווים |