מפסק מיני טוגל - DPDT ON/ON MULTICOMP ועוד רכיבי אלקטרוניקה. לחצו למיפרט טכני מלא. צרו קשר לייעוץ מקצועי: 04-8520233
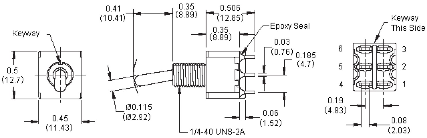
מפסק מיני טוגל - DPDT ON/ON
♦ מתח מגעים מקסימלי : 250VAC , 28VDC
♦ זרם מגעים מקסימלי : (2A (AC) , 5A (DC
♦ מספר פעולות : 40,000

מוצרים נלווים
| תמונה | תיאור מוצר | הוסף לסל | |||
|---|---|---|---|---|---|
| 5623112 כיסוי אטום מים למפסקי טוגל קטנים | MULTICOMP | כיסוי אטום מים למפסקי טוגל קטנים ♦ מתאים למפסקי טוגל קטנים של חברות : MULTICOMP , APEM&nb... רכיבי אלקטרוניקה » מפסקים לאלקטרוניקה | כמות |







