מפסק טוגל - DPDT MOM/OFF/MOM APEM ועוד רכיבי אלקטרוניקה. לחצו למיפרט טכני מלא. צרו קשר לייעוץ מקצועי: 04-8520233
לקוחותינו התעניינו גם ב...
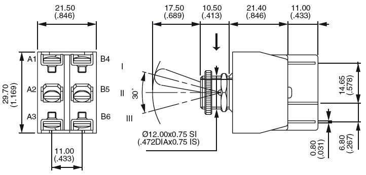
מפסק טוגל - DPDT MOM/OFF/MOM
♦ מתח מגעים מקסימלי : 250VAC , 24VDC
♦ זרם מגעים מקסימלי : (15A (AC) , 10A (DC

מוצרים נלווים
| תמונה | תיאור מוצר | הוסף לסל | |||
|---|---|---|---|---|---|
| 441876 כיסוי אטום מים למפסקי טוגל גדולים | MULTICOMP | כיסוי אטום מים למפסקי טוגל גדולים ♦ מתאים למפסקי טוגל 15A / 16A של חברות : MULTICOMP... רכיבי אלקטרוניקה » מפסקים לאלקטרוניקה | כמות |







