טרנזיסטור - IGBT MODULE - N CH - 600V 50A - 225W INFINEON ועוד רכיבי אלקטרוניקה. לחצו למיפרט טכני מלא. צרו קשר לייעוץ מקצועי: 04-8520233
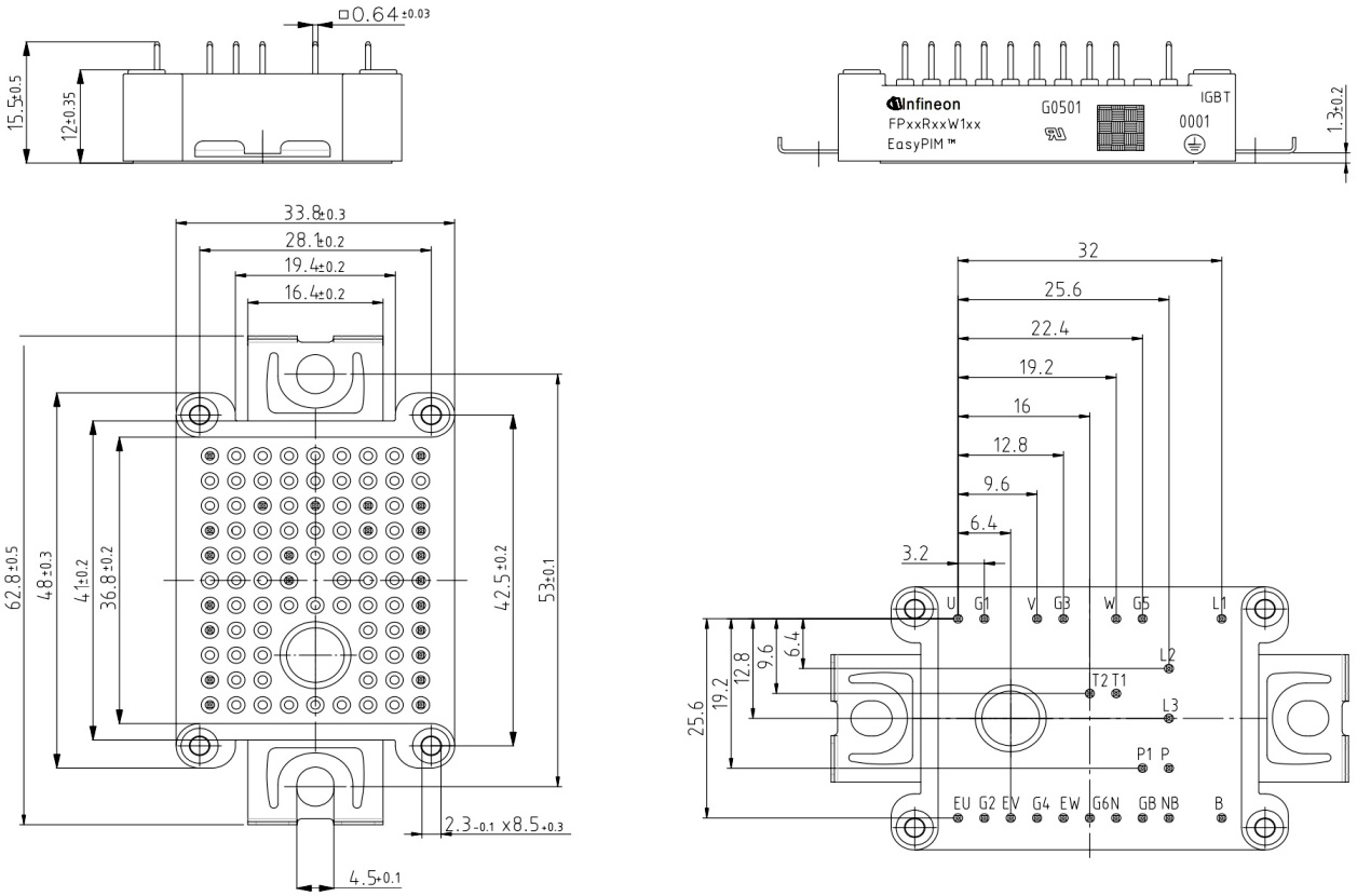
טרנזיסטור - IGBT MODULE - N CH - 600V 50A - 225W
♦ דגם הטרנזיסטור : F450R06W1E3
♦ מבנה הטרנזיסטור : EASYPACK
.jpg)
מוצרים נלווים







