טרנזיסטור - IGBT MODULE - N CH - 1200V 25A - 175W INFINEON ועוד רכיבי אלקטרוניקה. לחצו למיפרט טכני מלא. צרו קשר לייעוץ מקצועי: 04-8520233
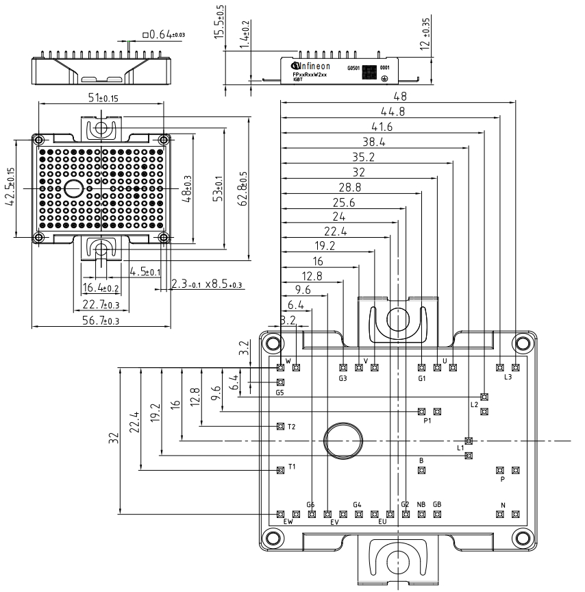
טרנזיסטור - IGBT MODULE - N CH - 1200V 25A - 175W
♦ דגם הטרנזיסטור : FP25R12W2T4
♦ מבנה הטרנזיסטור : EASYPIM 2B

מוצרים נלווים







