טרנזיסטור - IGBT MODULE - N CH - 1200V 25A - 205W INFINEON ועוד רכיבי אלקטרוניקה. לחצו למיפרט טכני מלא. צרו קשר לייעוץ מקצועי: 04-8520233
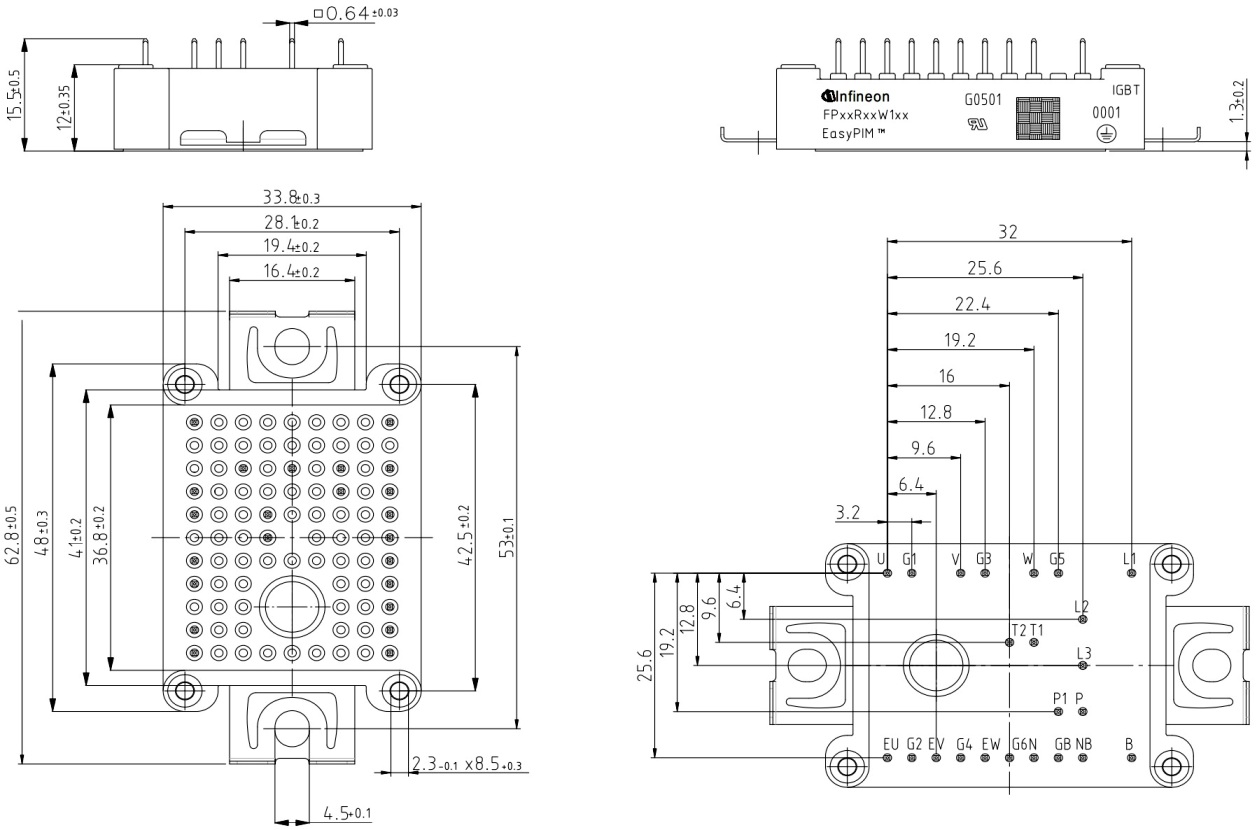
טרנזיסטור - IGBT MODULE - N CH - 1200V 25A - 205W
♦ דגם הטרנזיסטור : FS25R12W1T4
♦ מבנה הטרנזיסטור : EASYPACK

מוצרים נלווים







