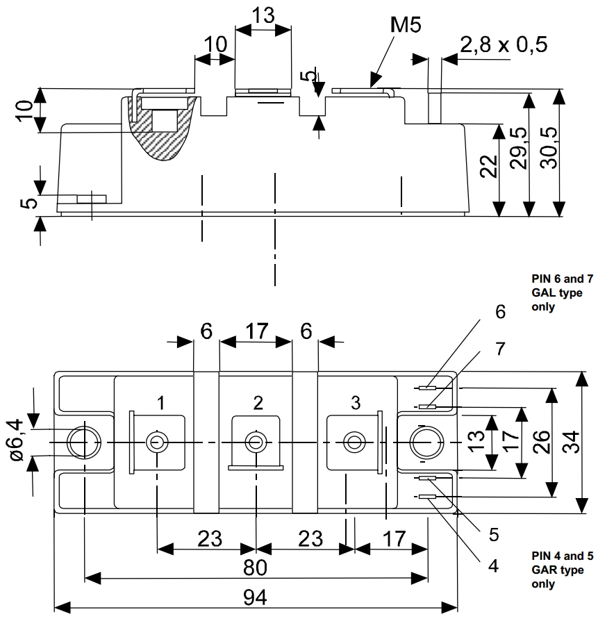
טרנזיסטור - IGBT MODULE - N CH - 1200V 150A - 790W INFINEON ועוד רכיבי אלקטרוניקה. לחצו למיפרט טכני מלא. צרו קשר לייעוץ מקצועי: 04-8520233
טרנזיסטור - IGBT MODULE - N CH - 1200V 150A - 790W
♦ דגם הטרנזיסטור : FD150R12RT4
♦ מבנה הטרנזיסטור : CHOPPER
.jpg)
מוצרים נלווים







